- Partiron
- OEM Parts
- Yamaha
- snowmobile
- 1973
- SL433B 1973
ELECTRIC MOTOR
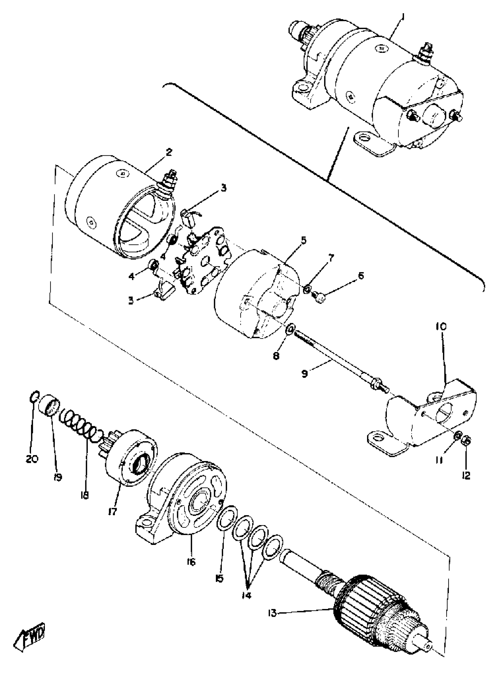
Yamaha SL433B 1973 ELECTRIC MOTOR Diagram
#
Description
Price
1
ELECT.STARTER KIT (842-81800-20)
807-81000-00-00
Unavailable
2
STATOR ASSEMBLY
(842-81810-20-00)
Unavailable
3
BRUSH 1
(842-81811-20-00)
Unavailable
4
SPRING, BRUSH
(842-81813-20-00)
Unavailable
5
REAR BRACKET ASSEMBLY
(842-81820-20-00)
Unavailable
6
SCREW, BRUSH HOLDER
(842-81848-20-00)
Unavailable
8
WASHER, SPRING
92995-06100-00
Unavailable
9
BOLT
(842-81826-20-00)
Unavailable
10
BRACKET, STRTG MTR
(842-81822-20-00)
Unavailable
13
ARMATURE ASSEMBLY
(842-81850-20-00)
Unavailable
14
WASHER 1
(842-81843-20-00)
Unavailable
15
FRONT BRACKET ASSEMBLY
(842-81830-20-00)
Unavailable
16
FRONT BRACKET ASSEMBLY
(842-81830-20-00)
Unavailable
17
CLUTCH, OVER RUN
(842-81832-20-00)
Unavailable
18
. SPRING, LEVER
842-81836-20-00
Unavailable
19
RING, STOP
(842-81833-20-00)
Unavailable
20
RING
(842-81834-20-00)
Unavailable
