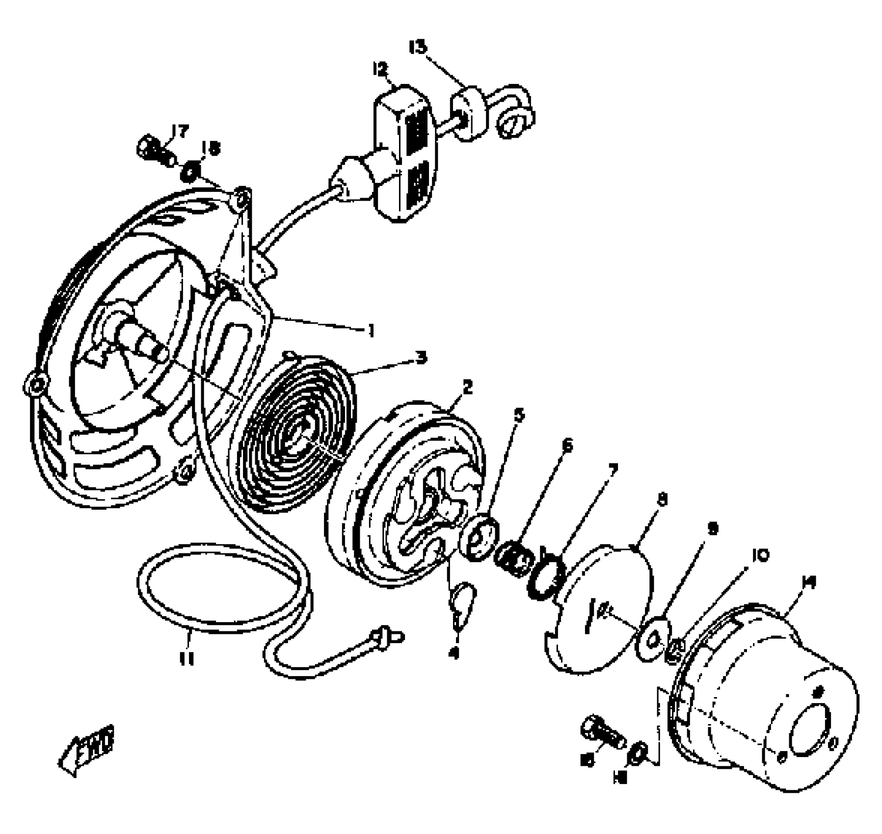
STARTER
#
1
(802-15710-02-00)
Unavailable
1
UNA-VAILA-BL-EI
Unavailable
2
(802-15714-01-00)
Unavailable
3
802-15713-00-00
Unavailable
4
(626-15741-01-00)
Unavailable
5
626-15719-00-00
Unavailable
6
626-15715-01-00
Unavailable
7
619-15734-00-00
Unavailable
8
626-15716-00-00
Unavailable
9
(802-15726-00-00)
Unavailable
10
(802-15744-00-00)
Unavailable
11
(802-15751-00-00)
Unavailable
12
UNA-VAILA-BL-EI
Unavailable
13
619-15756-00-00
Unavailable
14
802-15723-00-00
Unavailable
15
97D95-06016-00
Unavailable
16
92995-06100-00
Unavailable
17
97D95-06016-00
Unavailable
18
92995-06100-00
Unavailable
Edit ride
