- Partiron
- OEM Parts
- Yamaha
- snowmobile
- 1974
- SL338F 1974
FUEL TANK
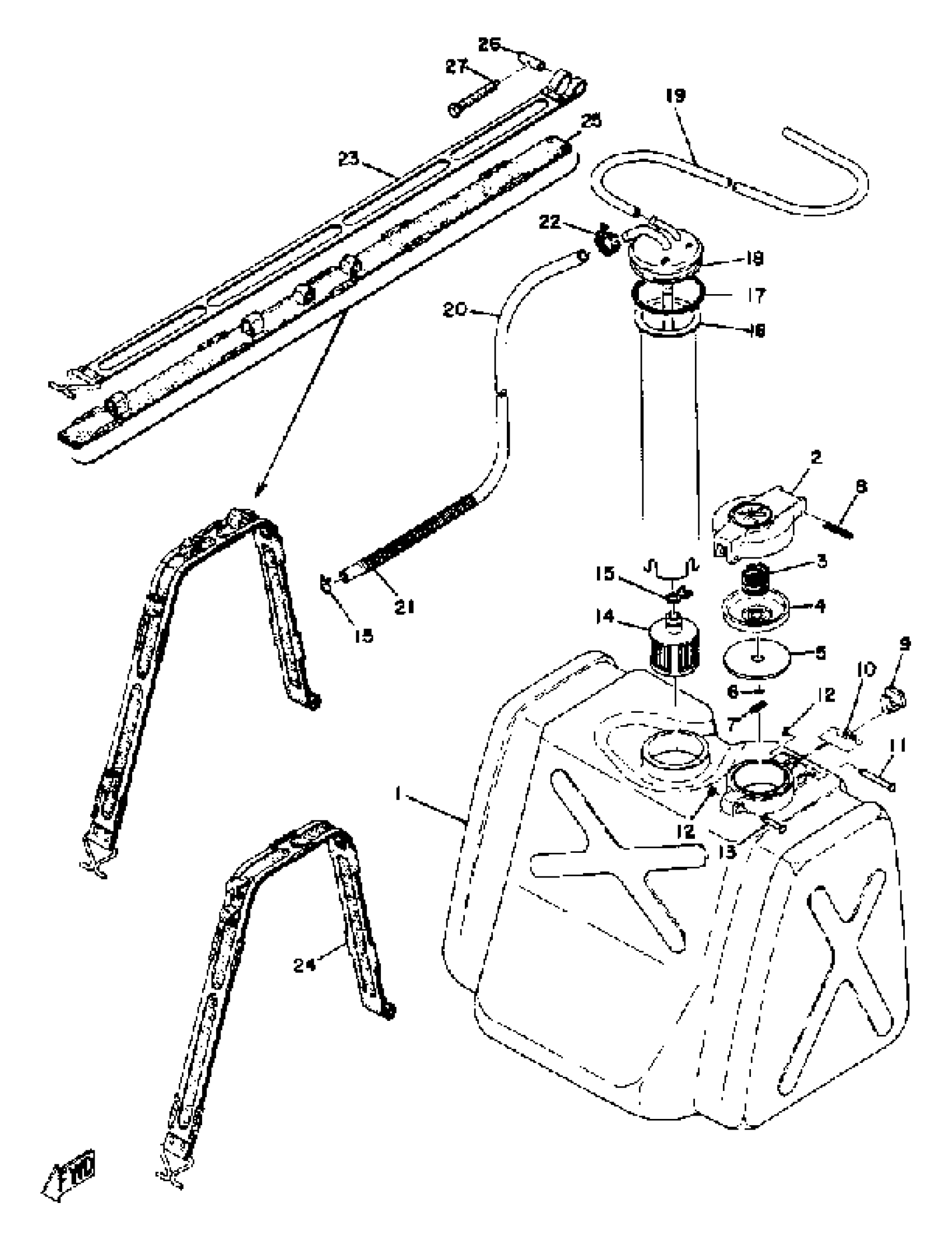
Yamaha SL338F 1974 FUEL TANK Diagram
#
Description
Price
1
FUEL TANK
841-24111-01-00
Unavailable
2
BODY, CAP
8A5-24611-00-00
Unavailable
5
GASKET, CAP
256-24612-00-00
Unavailable
7
PIN, SPRING
91690-30016-00
Unavailable
10
SPRING, TORSION (813-24637-00)
90508-08003-00
Unavailable
13
PIN, SPEC''L SHAPE
90249-03016-00
Unavailable
14
FILTER ASSY
8H5-24560-00-00
Unavailable
16
PIPE, SUCTION 2
838-24336-00-00
Unavailable
17
SPRING, TENSION (8R4)
90506-06261-00
Unavailable
18
PIPE, SUCTION 1
838-24335-00-00
Unavailable
19
TUBE, FLEXIBLE VINYL(8AK)
91A20-05080-00
Unavailable
20
HOSE
90446-11040-00
Unavailable
21
SPRING, COMPRESSION (3LD4)
90501-084G9-00
Unavailable
22
CLIP(3BM)
90467-10135-00
Unavailable
23
BAND, TNK FITTING 1
838-24173-00-00
Unavailable
24
DAMPER, LOCATING 3
(838-24183-00-00)
Unavailable
25
DAMPER, LOCATING 4
(838-24184-00-00)
Unavailable
26
CLAMP
806-24135-00-00
Unavailable
27
SCREW, SPEC''L SHAPE (821-24176-00)
90149-05006-00
Unavailable
