- Partiron
- OEM Parts
- Yamaha
- snowmobile
- 1973
- SL338D 1973
ELECTRIC STARTER UNIT
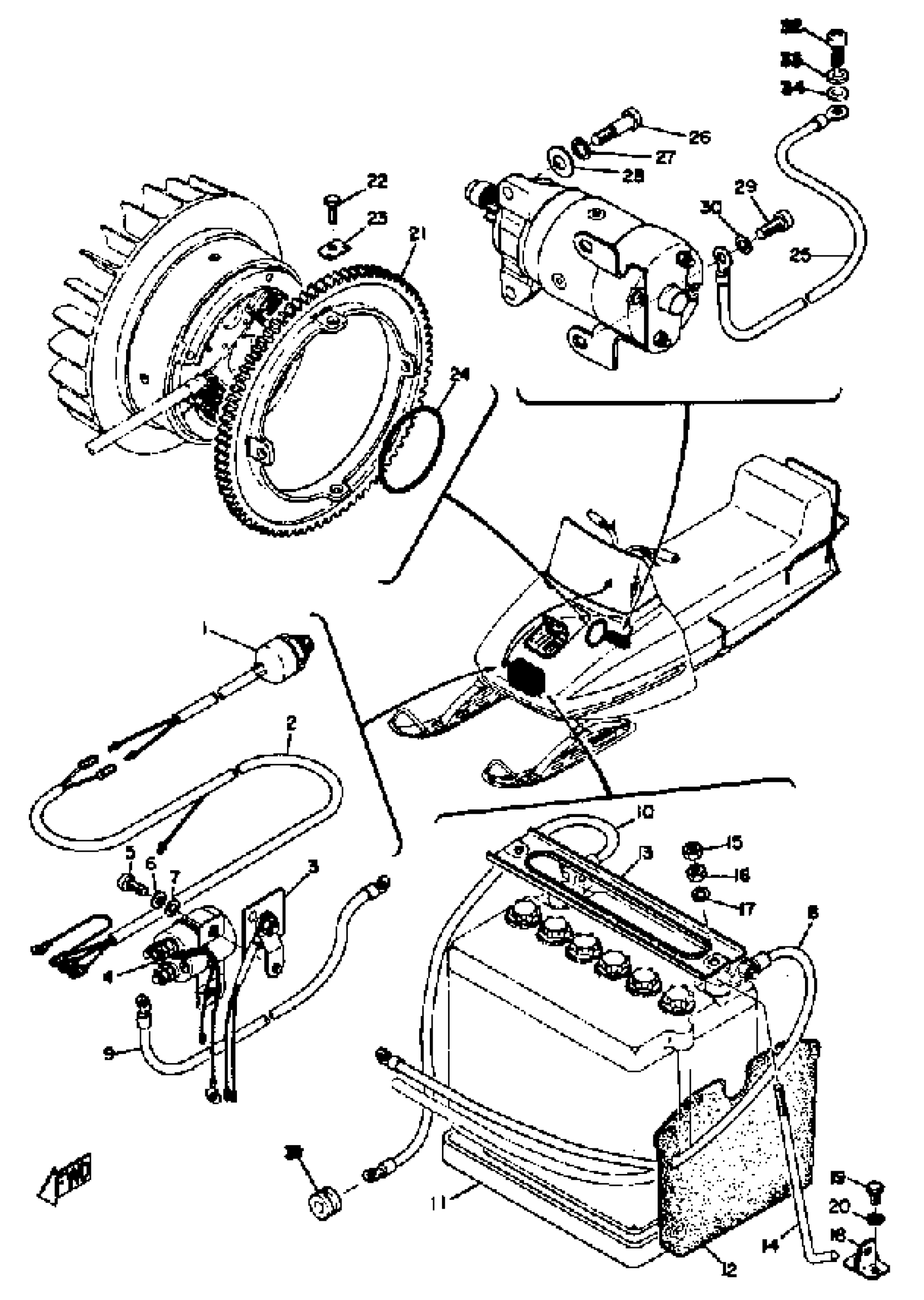
Yamaha SL338D 1973 ELECTRIC STARTER UNIT Diagram
#
1
STARTER SWITCH ASSEMBLY
(811-83970-00-00)
Unavailable
2
WIRE, LEAD 2
(842-82127-00-00)
Unavailable
3
RECTIFIER ASSEMBLY
(812-81970-41-00)
Unavailable
4
STARTER SWITCH ASSEMBLY
(842-81940-20-00)
Unavailable
6
WASHER, SPRING
92995-06100-00
Unavailable
8
WIRE, PLUS LEAD
(842-82115-00-00)
Unavailable
9
WIRE, LEAD 3
(842-82149-00-00)
Unavailable
10
WIRE, MINUS LEAD
822-82116-00-00
Unavailable
11
SEAT, BATTERY
807-82122-00-00
Unavailable
12
SEAL, BATTERY
822-82118-00-00
Unavailable
13
PLATE, BATT FITTING
(822-82136-00-00)
Unavailable
14
SCREW, SPEC''L SHAPE
(90149-06024-00)
Unavailable
16
NUT, HEXAGON
95380-06600-00
Unavailable
17
WASHER, SPRING
92995-06100-00
Unavailable
18
BRACKET, BATTERY
(843-82128-00-00)
Unavailable
19
BOLT, HEXAGON
97013-05010-00
Unavailable
20
YBS67-5 WASHER, SPRING
92990-05100-00
Unavailable
21
GEAR, RING
(842-81891-00-00)
Unavailable
22
BOLT, DOME HEAD
(90106-08004-00)
Unavailable
23
WASHER, LOCK
(90215-08071-00)
Unavailable
24
O-RING
(93210-61117-00)
Unavailable
25
WIRE, LEAD
(811-82117-00-00)
Unavailable
26
SCREW, SPEC''L SHAPE
90149-08056-00
Unavailable
27
YBS67-10 WASHER, SPRING
92990-10100-00
Unavailable
28
WASHER, PLATE
(90201-09116-00)
Unavailable
29
SCREW PAN HEAD
98580-08020-00
Unavailable
30
YBS67-8 WASHER, SPRING
92990-08100-00
Unavailable
31
GROMMET 152845180000
90480-12013-00
Unavailable
32
BOLT, HEXAGON DEEP RECESS
97D95-06016-00
Unavailable
33
WASHER, SPRING
92907-06100-00
Unavailable
34
WASHER, PLATE 8221447500
90201-06057-00
Unavailable
