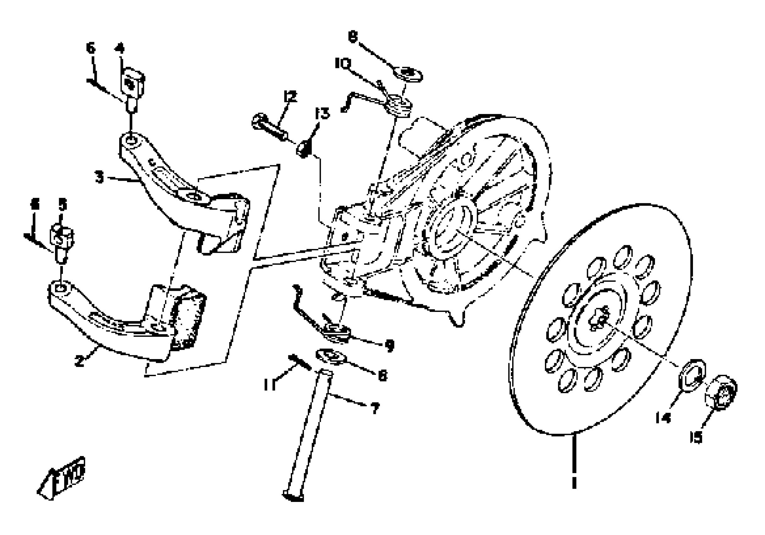
Yamaha SL338B 1971 BRAKE Diagram
#
Description
Price
1
DISC, BRAKE
810-25711-00-00
Unavailable
2
CALIPER BODY 1
821-25730-00-00
Unavailable
3
CALIPER BODY 2
821-25740-00-00
Unavailable
4
PIN (810)
90249-06012-00
Unavailable
5
PIN
90249-06009-00
Unavailable
7
PIN, CLEVIS
(90240-08022-00)
Unavailable
8
WASHER, PLAIN
92990-08200-00
Unavailable
9
SPRING, RETURN 1
(810-25735-00-00)
Unavailable
10
SPRING, RETURN 2
(810-25745-00-00)
Unavailable
