- Partiron
- OEM Parts
- Yamaha
- snowmobile
- 1969
- SL338 1969
ELECTRICAL
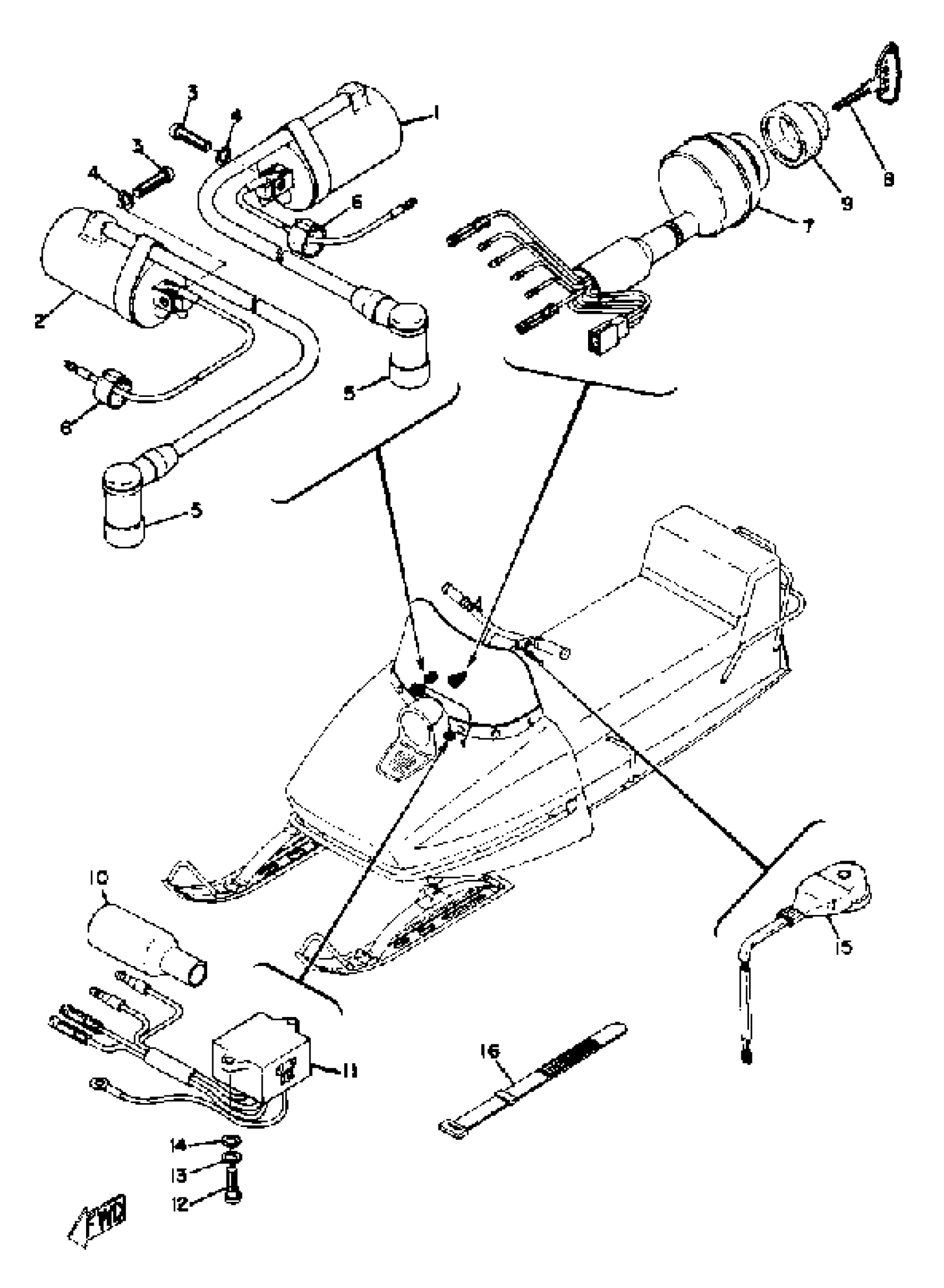
Yamaha SL338 1969 ELECTRICAL Diagram
#
Description
Price
1
IGNITION COIL ASSEMBLY
206-82310-41-00
Unavailable
2
IGNITION COIL ASSEMBLY
206-82310-41-00
Unavailable
7
MAIN SWITCH ASSEMBLY
(806-82510-21-00)
Unavailable
8
TOOL
UNA-VAILA-BL-EI
Unavailable
9
COLLAR, MAIN SWITCH
806-82516-00-00
Unavailable
10
COVER, CONNECTER
(806-82599-00-00)
Unavailable
11
SILICOM STACK ASSEMBLY
806-82390-20-00
Unavailable
12
SCREW, PAN HEAD
(98506-04015-00)
Unavailable
14
WASHER(6E1)
92907-04200-00
Unavailable
15
STOP SWITCH ASSEMBLY
(806-82530-00-00)
Unavailable
16
BAND, SWITCH CORD
437-83936-11-00
Unavailable
