- Partiron
- OEM Parts
- Yamaha
- snowmobile
- 1971
- SL292 1971
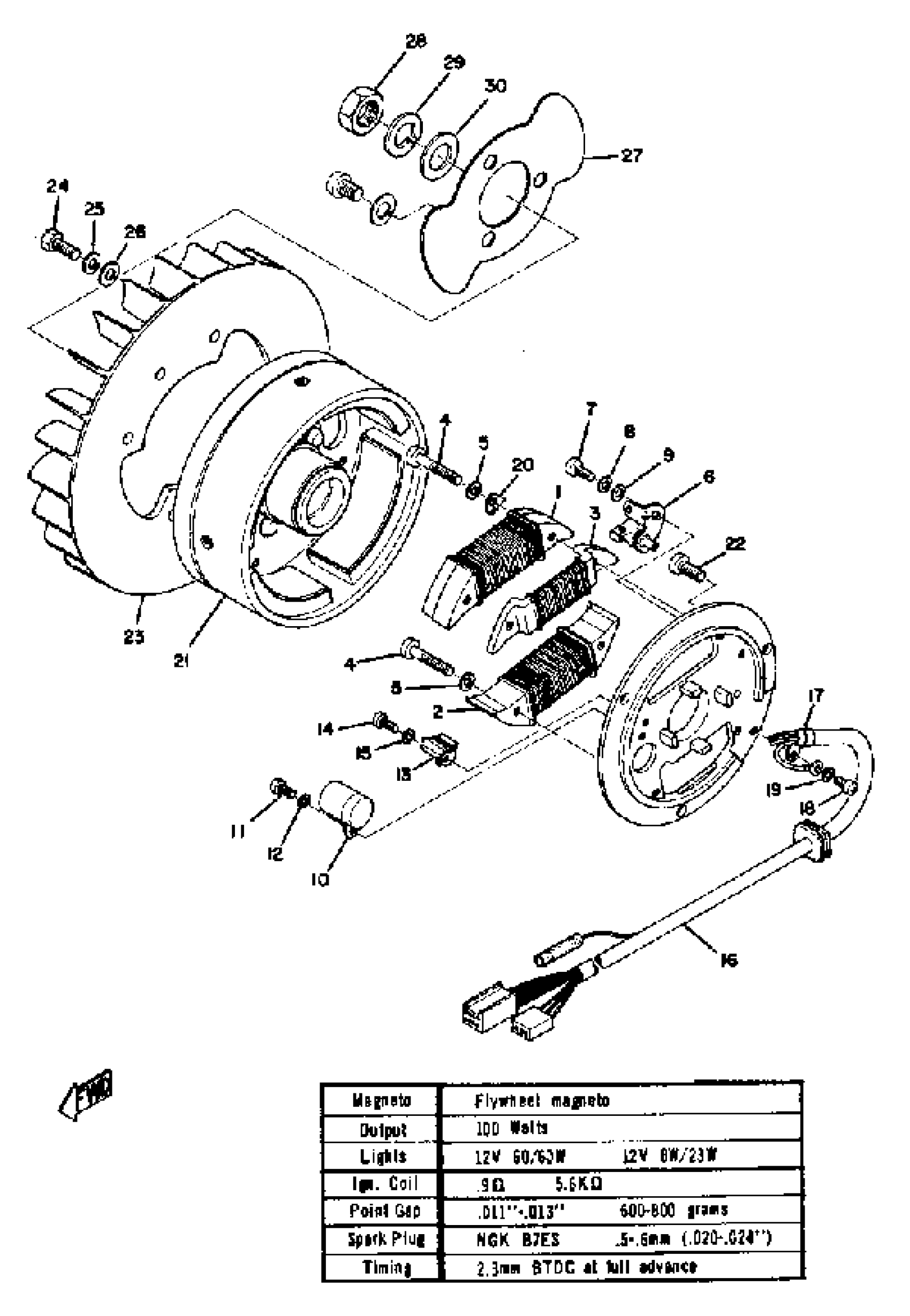
FLYWHEEL MAGNETO SL292C
Yamaha SL292 1971 FLYWHEEL MAGNETO SL292C Diagram
#
Description
Price
1
. COIL, SOURCE
839-81312-20-00
Unavailable
1
FLYWHL MAGNETO ASSEMBLY
(860-81300-20-00)
Unavailable
2
COIL, LIGHTING 1
(839-81313-20-00)
Unavailable
3
COIL, LIGHTING 2
(839-81314-20-00)
Unavailable
4
. SCREW, PAN HEAD
802-81345-20-00
Unavailable
6
. CONTACT BRKR ASSEMBLY
806-81321-20-00
Unavailable
10
. CONDENSER 1
802-81325-90-00
Unavailable
13
. LUBRICATOR
116-81331-20-00
Unavailable
16
LEAD WIRE ASSEMBLY
(839-81315-21-00)
Unavailable
17
CLAMP, LEAD
104-81328-20-00
Unavailable
18
SCREW, PAN HEAD (713)
98580-04008-00
Unavailable
20
PLATE, TIMING
(812-81332-20-00)
Unavailable
21
ROTOR ASSEMBLY
(860-81350-20-00)
Unavailable
22
SCREW, PAN
98507-06014-00
Unavailable
23
FAN
(812-12611-00-00)
Unavailable
24
BOLT
(90101-06006-00)
Unavailable
25
WASHER, SPRING
92995-06100-00
Unavailable
26
WASHER, PLATE
90201-06M08-00
Unavailable
27
COVER, HOLE
(812-81362-00-00)
Unavailable
28
NUT
90170-16425-00
Unavailable
29
WASHER(JN5)
92907-16100-00
Unavailable
30
WASHER
(92901-16247-00)
Unavailable
