- Partiron
- OEM Parts
- Honda
- MOTORCYCLE
- Models With No Year
- SL175K1A MOTORCYCLE, JPN, VIN# SL175-2000001
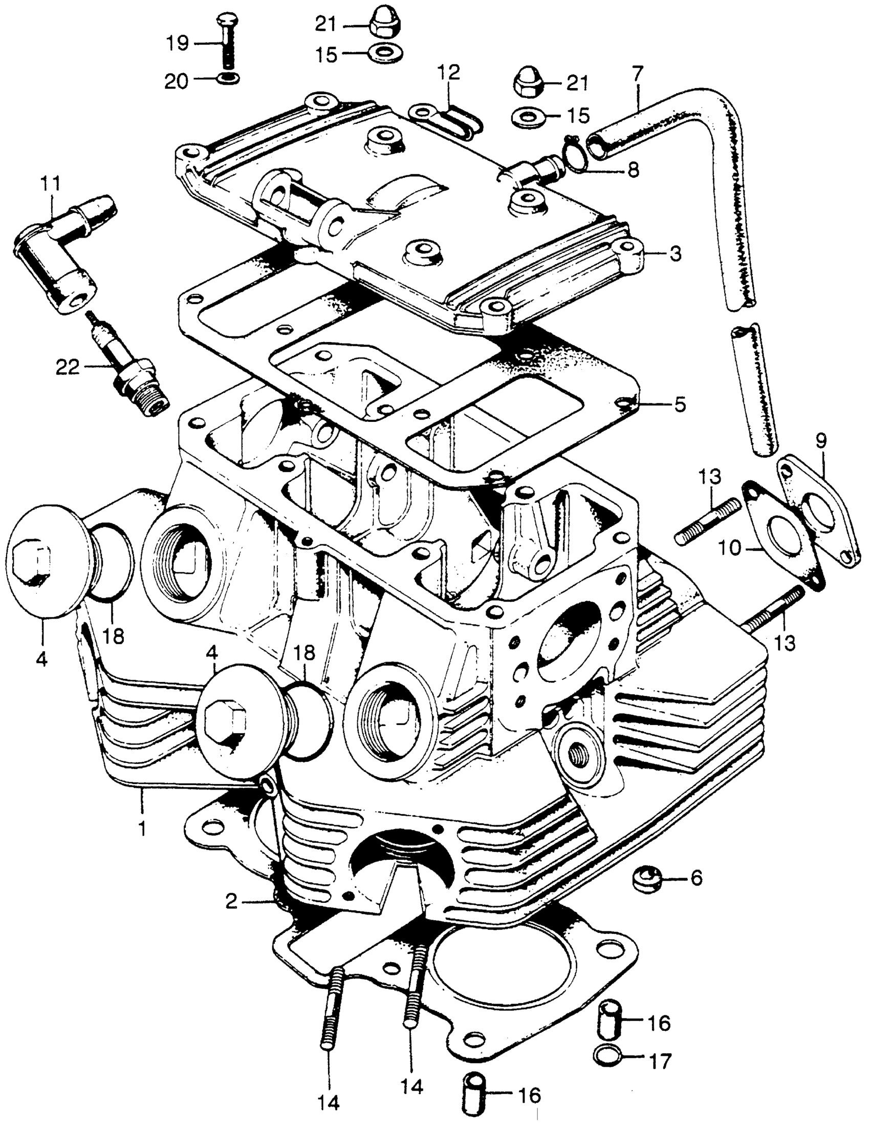
CYLINDER HEAD + CYLINDER HEAD COVER
Honda SL175K1A MOTORCYCLE, JPN, VIN# SL175-2000001 CYLINDER HEAD + CYLINDER HEAD COVER Diagram
#
Description
Price
1
CYLINDER HEAD This part replaces 12200-315-000.
12200-315-010
Unavailable
1
CYLINDER HEAD
12200-315-010
Unavailable
2
GASKET, CYL HD This part replaces 12251-235-000.
12251-235-405
Unavailable
3
COVER, CYLINDER HEAD (NOT AVAILABLE)
12300-302-010
Unavailable
4
CAP, VALVE ADJ.
12361-246-000
Unavailable
5
GASKET, CYL HD CVR This part replaces 12391-216-000.
12391-354-306
Unavailable
5
GASKET, CYL HD CVR This part replaces 12391-354-000.
12391-354-306
Unavailable
7
TUBE C, BREATHER (NOT AVAILABLE) This part replaces 15763-300-000.
15763-300-303
Unavailable
9
INSULATOR, CARB This part replaces 16211-304-000.
16211-304-306
Unavailable
10
GASKET This part replaces 16229-235-000.
16229-235-306
Unavailable
12
CLAMP, IGNITION WIRE (NOT AVAILABLE)
32957-313-000
Unavailable
13
BOLT, STUD (6X36) (NOT AVAILABLE)
90044-259-000
Unavailable
19
BOLT, HEX. (6X28) | Use up to Engine SN 2016673 This part replaces 92000-06028.
92101-06028-0A
$1.49
19
BOLT, FLANGE (6X28) | Use from Engine SN 2016674 This part replaces 95700-06028.
95700-06028-00
$1.73
22
SPARK PLUG (X24FS-U) (DENSO) This part replaces 98066-58723.
98066-58727
Unavailable
22
SPARK PLUG (X24FS-U) (DENSO)
98066-58727
Unavailable
