- Partiron
- OEM Parts
- Honda
- MOTORCYCLE
- Models With No Year
- SL125K1A MOTORCYCLE, JPN, VIN# SL125S-1100001
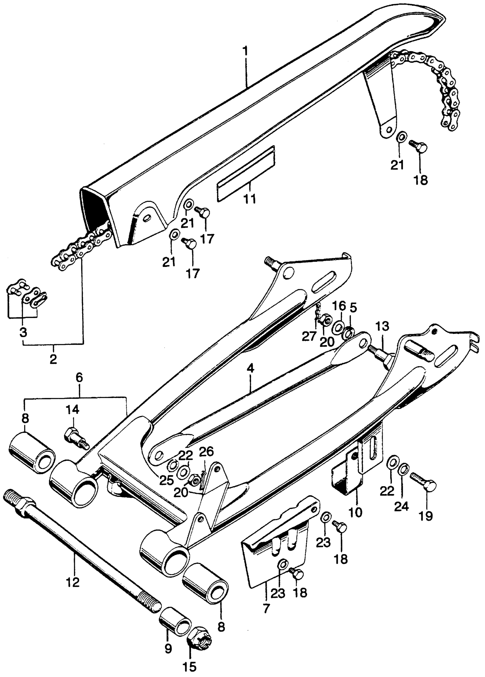
SWINGARM + CHAIN CASE
Honda SL125K1A MOTORCYCLE, JPN, VIN# SL125S-1100001 SWINGARM + CHAIN CASE Diagram
#
Description
Price
1
CASE, DRIVE CHAIN *MRCR2* (CHROME PLATING)
40510-331-671XW
Unavailable
4
ARM, RR. BRAKE STOPPER (NOT AVAILABLE)
43431-331-770
Unavailable
6
SWINGARM *NH1* (BLACK)
52100-331-770B
Unavailable
7
PROTECTOR, DRIVE CHAIN (NOT AVAILABLE)
52101-331-770
Unavailable
9
COLLAR, RR. SWINGARM PIVOT BOLT DISTANCE (NOT AVAILABLE)
52145-331-000
Unavailable
10
GUARD, DRIVE CHAIN (NOT AVAILABLE)
52156-074-000
Unavailable
11
MARK, TIRE CAUTION (NOT AVAILABLE)
87505-331-770
Unavailable
12
BOLT, SWINGARM PIVOT (NOT AVAILABLE)
90121-331-000
Unavailable
14
BOLT, RR. BRAKE STOPPER ARM (NOT AVAILABLE)
90133-331-770
Unavailable
