- Partiron
- OEM Parts
- Honda
- MOTORCYCLE
- Models With No Year
- SL100K2A MOTORCYCLE, JPN, VIN# SL100-1200001
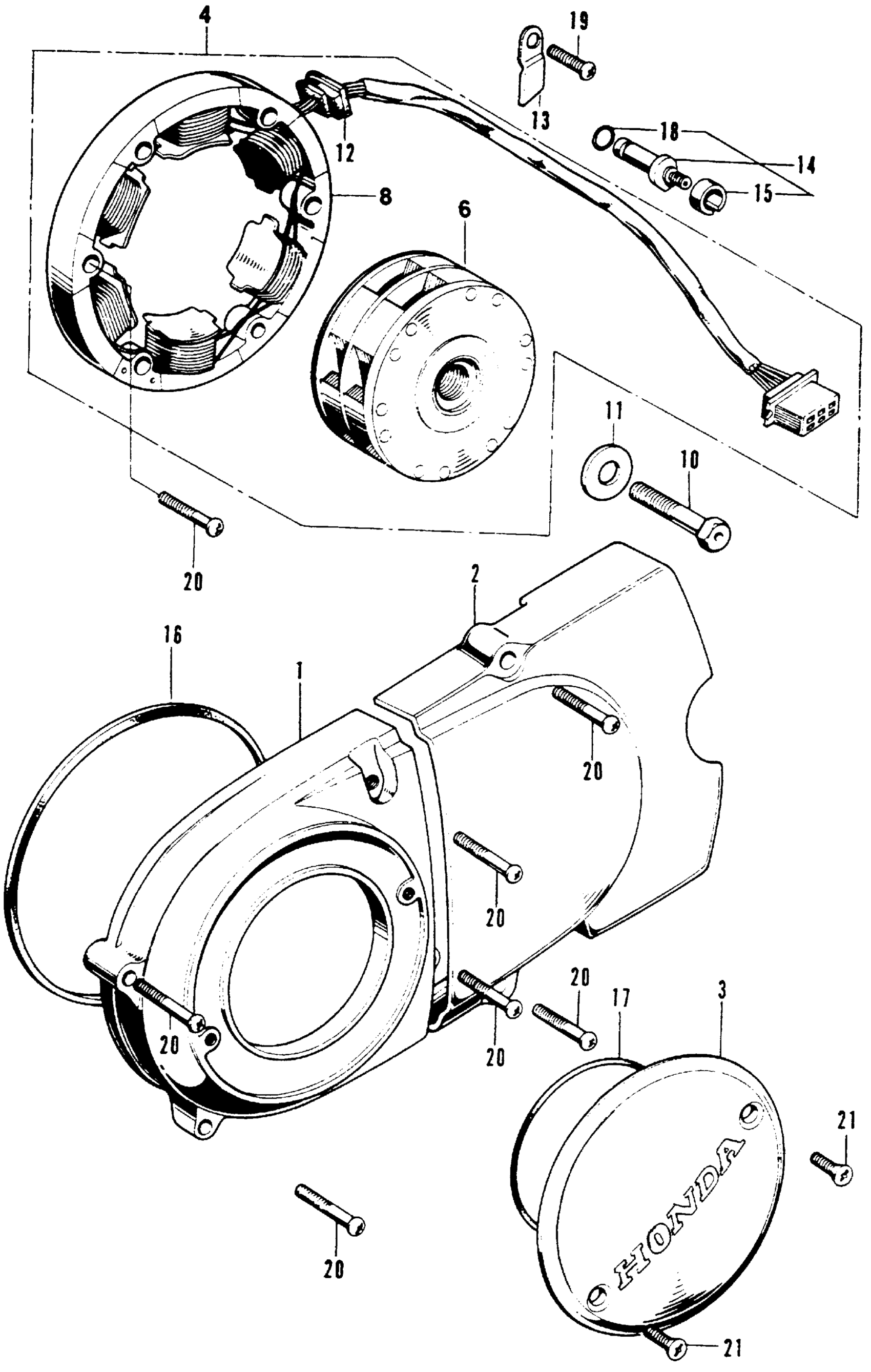
LEFT CRANKCASE COVER + ALTERNATOR
Honda SL100K2A MOTORCYCLE, JPN, VIN# SL100-1200001 LEFT CRANKCASE COVER + ALTERNATOR Diagram
#
Description
Price
1
COVER, L. CRANKCASE (NOT AVAILABLE)
11341-324-000
Unavailable
2
COVER, L. RR. CRANKCASE (NOT AVAILABLE)
11361-107-000
Unavailable
3
COVER, ALTERNATOR
11431-107-760
Unavailable
4
ALTERNATOR (DENSO) (NOT AVAILABLE)
31100-331-674
Unavailable
4
ALTERNATOR (KOKUSAN) (NOT AVAILABLE)
31100-331-673
Unavailable
6
ROTOR (KOKUSAN) (NOT AVAILABLE)
31101-107-013
Unavailable
6
ROTOR (DENSO)
31101-107-014
Unavailable
8
STATOR (DENSO) (NOT AVAILABLE)
31102-331-674
Unavailable
10
BOLT A1, ROTOR This part replaces 31104-028-000.
95015-11100
Unavailable
10
BOLT A1, ROTOR
95015-11100
Unavailable
11
WASHER, ROTOR SETTING (NOT AVAILABLE)
31105-028-000
Unavailable
12
GROMMET, ALTERNATOR WIRE (NOT AVAILABLE)
32971-107-000
Unavailable
