- Partiron
- OEM Parts
- Polaris
- Watercraft
- PWC
- 1996
- SL 900 - B964291
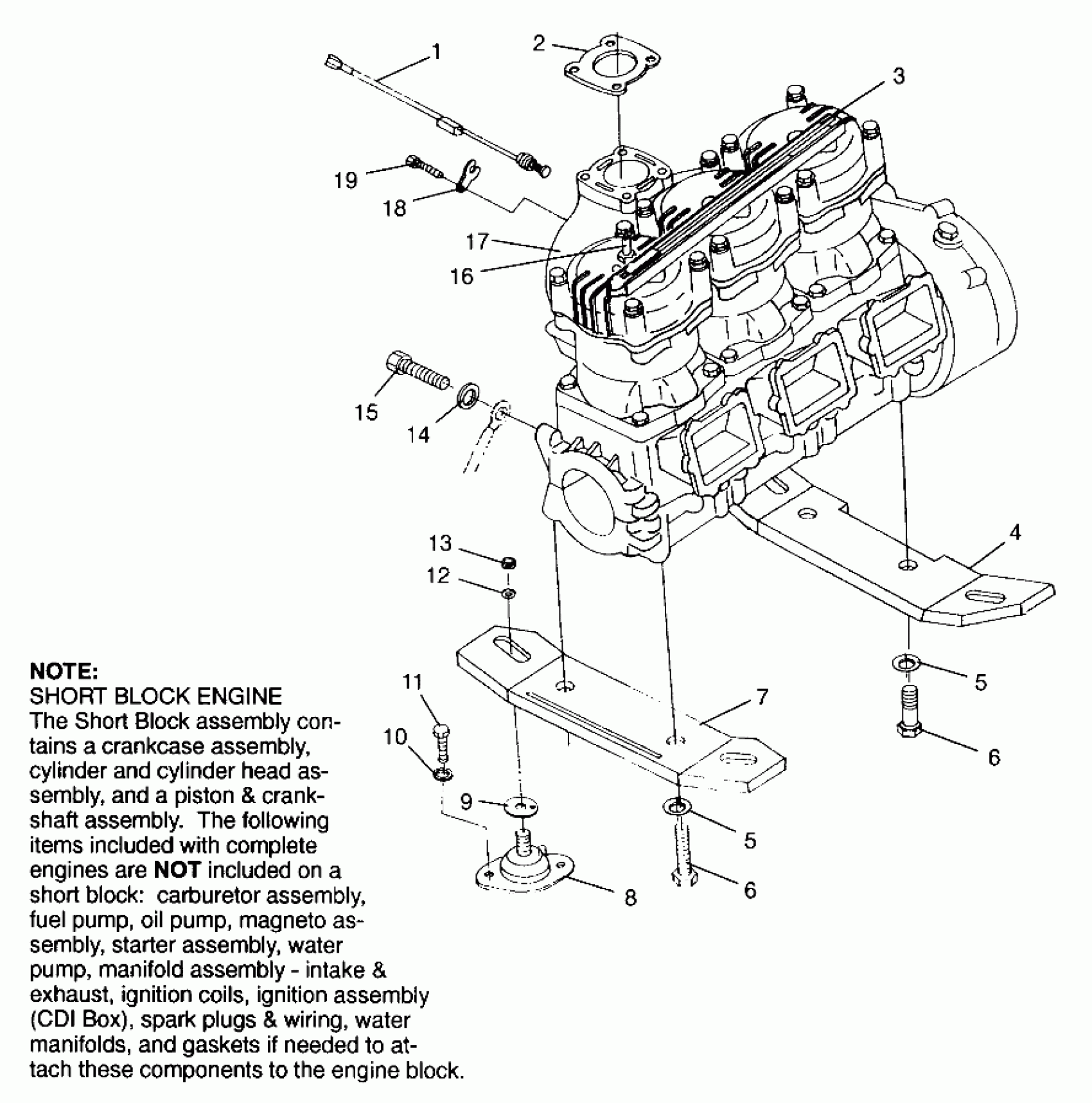
ENGINE MOUNTING SL 900 B964291 and Intl. SL 900 I964291 (4935583558B001)
Polaris SL 900 - B964291 ENGINE MOUNTING SL 900 B964291 and Intl. SL 900 I964291 (4935583558B001) Diagram
#
Description
Price
1
SWITCH ASM,TEMP.
4110180
Unavailable
2
GASKET,EXH.PIPE
5830051
Unavailable
3
Decal - Warning (See Pg., Ref.)
-------
Unavailable
4
PLATE,F.MOUNT Substituted by 5631128
5630585
Unavailable
5
WASHER,FLAT
7555956
Unavailable
5
WASHER,FLAT
7555956
Unavailable
6
BOLT, S.S.(10)
7512573
Unavailable
6
BOLT, S.S.(10)
7512573
Unavailable
7
PLATE,R.MOUNT Substituted by 5631129
5630584
Unavailable
8
MT,ENG,ANTI-ROTATION Substituted by 3021103
3110055
Unavailable
9
SHIM,ENG.MT.(PWC)
5211727
Unavailable
10
WASHER, LOCK, S.S.(10)
7552610
Unavailable
11
BOLT, S.S.(10)
7515361
Unavailable
12
WASHER, FLAT, S.S.(10)
7555848
Unavailable
13
NUT, NYLOK, S.S.(10) Substituted by 7547001
7542725
Unavailable
14
WASHER, LOCK(10)
7552613
Unavailable
15
BOLT(10)
7516809
Unavailable
16
Spark Plug, NGK BPR8ES (See Pg., Ref.)
-------
Unavailable
17
KIT,S.B.,(900 TRIPLE)
2200812
Unavailable
18
CLIP,RETAIN,TEMP.SW.
5240876
Unavailable
