- Partiron
- OEM Parts
- Polaris
- Watercraft
- PWC
- 1995
- SL 750 - B954070
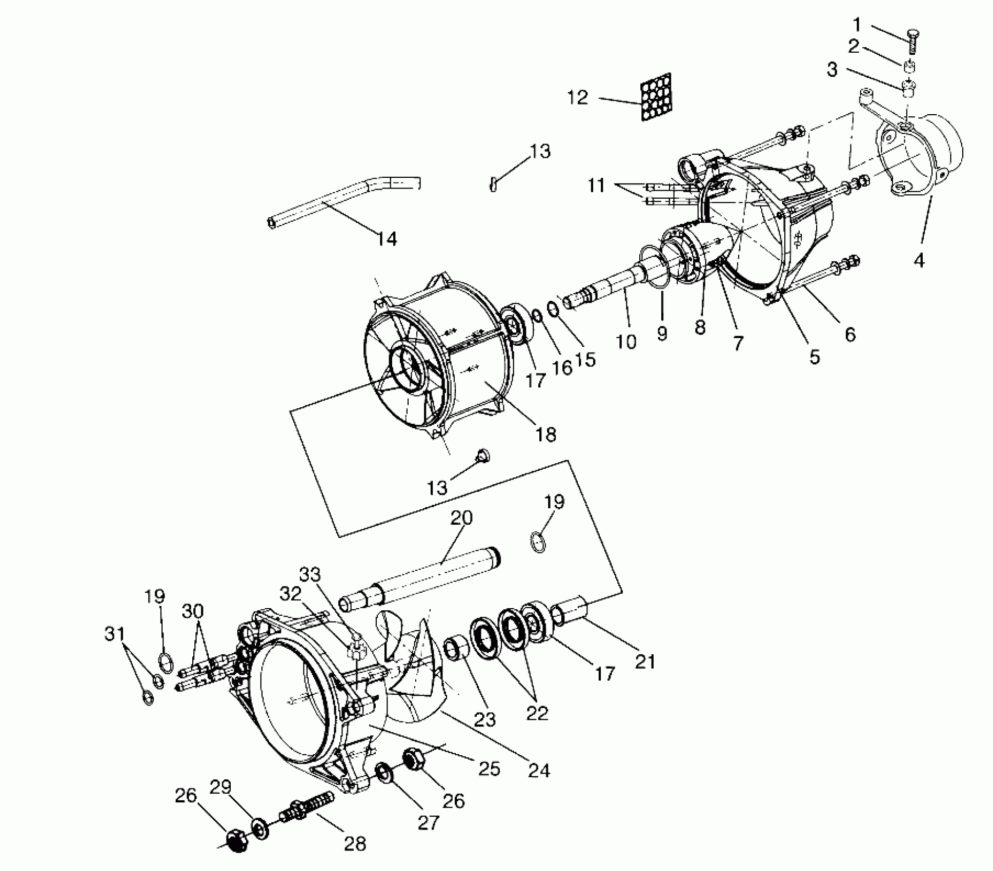
PROPULSION SL 750 B954070 (4930523052B003)
Polaris SL 750 - B954070 PROPULSION SL 750 B954070 (4930523052B003) Diagram
#
Description
Price
1
BOLT, S.S.(10)
7515366
Unavailable
2
Collar
5130938
Unavailable
3
BRG,STRG.NOZZLE,(10)
5431518
Unavailable
4
NOZZLE,STRG.REVERSE
5130960
Unavailable
5
NOZZLE,PUMP
1350008
Unavailable
6
BOLT
7515377
Unavailable
7
SCREW(10)
7512064
Unavailable
8
Cone, Pump
5431519
Unavailable
9
O-RING(10)
5410819
Unavailable
10
SHAFT, STUB Substituted by 5132674
5020697
Unavailable
11
TUBE,SIPHON,BILGE
5010293
Unavailable
12
SCREEN,ENG.INLET
5431523
Unavailable
14
HOSE,WATER Substituted by 8450054-100
8450054-23
Unavailable
15
O-RING(10)
5410818
Unavailable
16
O-RING,(10)
5410817
Unavailable
17
Bearing
3514008
Unavailable
17
Bearing
3514008
Unavailable
18
STATOR,PUMP (Mach.)
5130983
Unavailable
19
O RING,(10)
5410735
Unavailable
19
O RING,(10)
5410735
Unavailable
20
PIPE,WATER,ENGINE
5431655
Unavailable
21
Spacer
5010294
Unavailable
22
SEAL,BRG,STATOR
3610043
Unavailable
23
Spacer, Impeller
5010295
Unavailable
24
IMPELLER,SL750
5131079
Unavailable
25
HOUSING,PUMP,('94) Substituted by 5131815 (Mach.)
5130982
Unavailable
26
NUT,HEX,S.S.(10)
7542455
Unavailable
26
NUT,HEX,S.S.(10)
7542455
Unavailable
27
WASHER, FLAT(10)
7555841
Unavailable
28
STUD,MTG.PUMP Substituted by 5020880
5020804
Unavailable
30
PIPE,WATER BILGE (Flanged), SS
5020835
Unavailable
31
SEAL,SIPHON TUBE
5411016
Unavailable
32
ANODE-ZINC Substituted by 2200745
5630598
Unavailable
33
SCREW(10)
7522019
Unavailable
