- Partiron
- OEM Parts
- Polaris
- Watercraft
- PWC
- 1994
- SL 750 - B944070
COOLING SYSTEM SL 750 B944070 (4927012701018A)
Polaris SL 750 - B944070 COOLING SYSTEM SL 750 B944070 (4927012701018A) Diagram
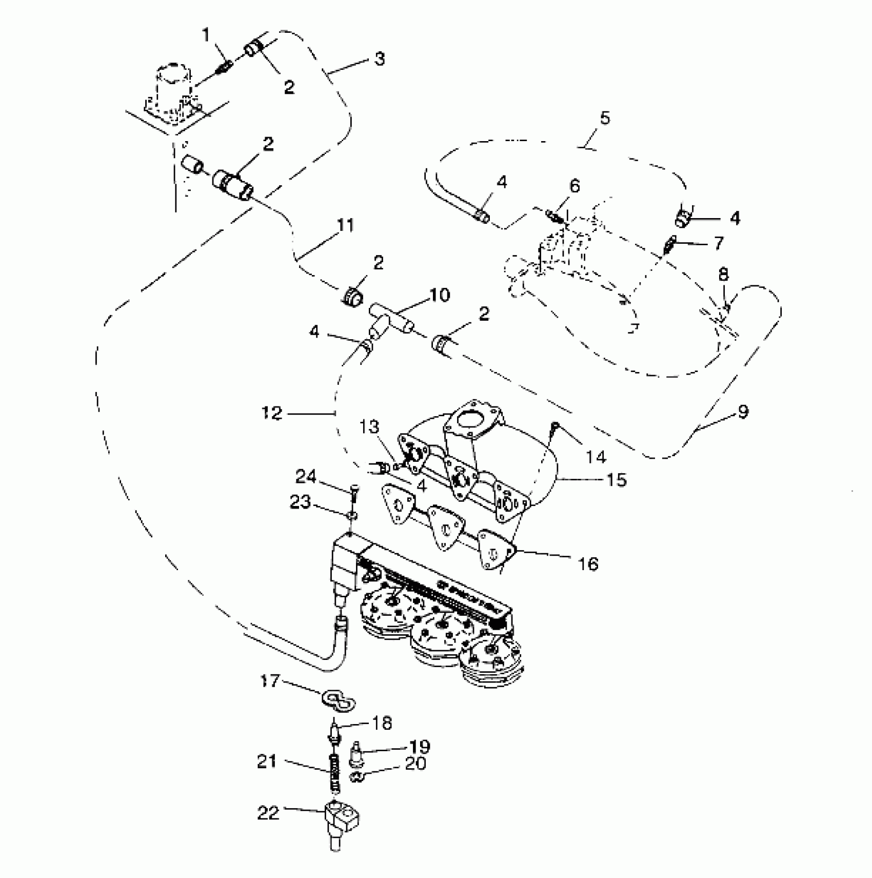
#
Description
Price
1
Fitting, Pipe
7052071
Unavailable
3
HOSE,THERMOSTAT/FITTING
5410859
Unavailable
5
HOSE,STINGER,FORMED
5410897
Unavailable
6
FITTING,SCREEN,EXH.
7052105
Unavailable
7
FITTING,INJECTOR,EXH.
5020747
Unavailable
8
FITTING,WATER INLET
5020668
Unavailable
9
HOSE,INLET,EXHAUST
5410886
Unavailable
10
FITTING,TEE
5431784
Unavailable
11
HOSE,OUTLET,PUMP
5410885
Unavailable
12
HOSE,WATER
8450054-100
Unavailable
13
FITTING,DRAIN,EXH.MANIFOLD
5020746
Unavailable
14
BOLT, S.S.(10)
7516720
Unavailable
15
MANIFOLD,EXH.BON.BLUE [No Longer Available]
1240016-157
Unavailable
16
GASKET,EXH.MANIFOLD
5211489
Unavailable
17
SEAL,O-RING/THERMO/FITTING
5410860
Unavailable
18
VALVE, POP-OFF
5431588
Unavailable
19
THERMOSTAT, (143 F.)
7051008
Unavailable
20
GASKET, THERMOSTAT Substituted by 5412014
5410781
Unavailable
21
Spring, Compression
7041310
Unavailable
22
COVER,THERMOSTAT Substituted by 5631098
5131008
Unavailable
24
SCREW,SHOULDER,S.S.(10)
7515149
Unavailable
