- Partiron
- OEM Parts
- Polaris
- Watercraft
- PWC
- 1996
- SL 700 - B964066
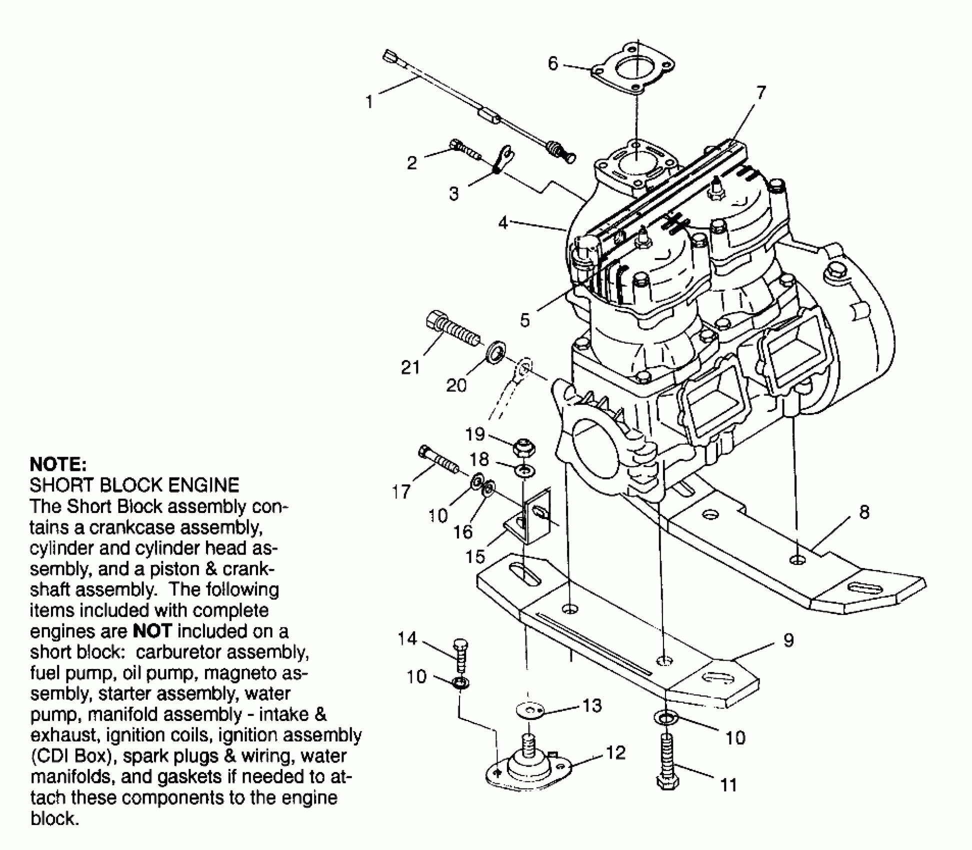
ENGINE MOUNTING SL 700 B964066 and Intl. SL 700 I964066 (4935633563B001)
Polaris SL 700 - B964066 ENGINE MOUNTING SL 700 B964066 and Intl. SL 700 I964066 (4935633563B001) Diagram
#
Description
Price
1
SWITCH ASM,TEMP.
4110180
Unavailable
3
CLIP,RETAIN,TEMP.SW.
5240876
Unavailable
4
SHORT BLOCK,TWIN,KIT [No Longer Available]
2200681
Unavailable
5
Plug, Spark, NGK BPR7ES (See Pg., Ref.)
-------
Unavailable
6
GASKET,EXH.PIPE
5830051
Unavailable
7
Decal - Warning (See Pg., Ref.)
-------
Unavailable
8
PLATE,F.MOUNT Substituted by 5631128
5630585
Unavailable
9
PLATE,R.MOUNT Substituted by 5631129
5630584
Unavailable
10
WASHER,FLAT
7555956
Unavailable
10
WASHER,FLAT
7555956
Unavailable
10
WASHER,FLAT
7555956
Unavailable
11
BOLT, S.S.(10)
7512573
Unavailable
12
MT,ENG,ANTI-ROTATION Substituted by 3021103
3110055
Unavailable
13
SHIM,ENG.MT.(PWC)
5211727
Unavailable
14
BOLT, S.S.(10)
7515361
Unavailable
15
BRKT,R.MUFFLER Substituted by 1060142
5241546
Unavailable
16
WASHER, FLAT, S.S.,(10)
7555835
Unavailable
17
BOLT, S.S.(10)
7515357
Unavailable
18
WASHER, FLAT, S.S.(10)
7555848
Unavailable
19
NUT, NYLOK, S.S.(10) Substituted by 7547001
7542725
Unavailable
20
WASHER, LOCK, S.S.(10)
7552610
Unavailable
21
BOLT(10)
7516809
Unavailable
