- Partiron
- OEM Parts
- Polaris
- Watercraft
- PWC
- 1994
- SL 650 - B944058
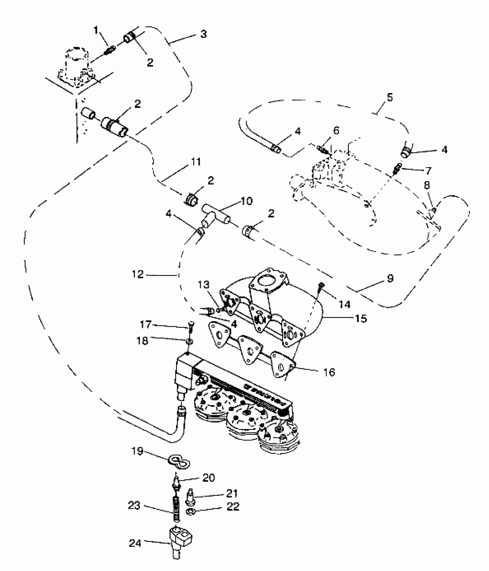
COOLING SYSTEM SL 650 B944058 (4926992699017A)
Polaris SL 650 - B944058 COOLING SYSTEM SL 650 B944058 (4926992699017A) Diagram
#
Description
Price
1
Fitting, Pipe
7052071
Unavailable
3
HOSE,THERMOSTAT/FITTING
5410859
Unavailable
5
HOSE,STINGER,FORMED
5410897
Unavailable
6
FITTING,SCREEN,EXH.
7052105
Unavailable
7
FITTING,INJECTOR,EXH.
5020747
Unavailable
8
FITTING,WATER INLET
5020668
Unavailable
9
HOSE,INLET,EXHAUST
5410886
Unavailable
10
FITTING,TEE
5431784
Unavailable
11
HOSE,OUTLET,PUMP
5410885
Unavailable
12
HOSE,WATER
8450054-100
Unavailable
13
FITTING,DRAIN,EXH.MANIFOLD
5020746
Unavailable
14
BOLT, S.S.(10)
7516720
Unavailable
15
MANIFOLD,EXH.BON.BLUE [No Longer Available]
1240016-157
Unavailable
16
GASKET,EXH.MANIFOLD
5211489
Unavailable
17
SCREW,SHOULDER,S.S.(10)
7515149
Unavailable
19
SEAL,O-RING/THERMO/FITTING
5410860
Unavailable
20
VALVE, POP-OFF
5431588
Unavailable
21
THERMOSTAT, (143 F.)
7051008
Unavailable
22
GASKET, THERMOSTAT Substituted by 5412014
5410781
Unavailable
23
Spring, Compression
7041310
Unavailable
24
COVER,THERMOSTAT Substituted by 5631098
5131008
Unavailable
