Partiron

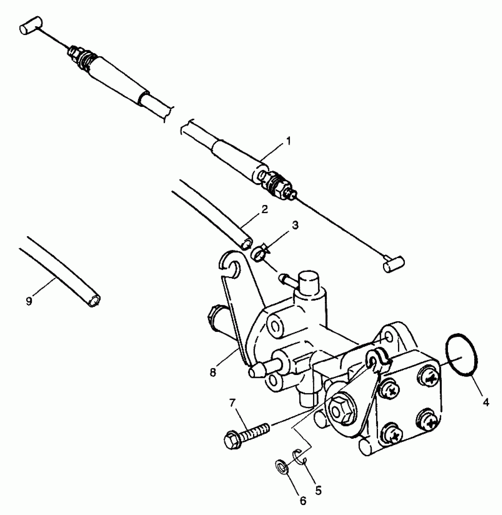
Polaris SL 1050 - B974090 OIL PUMP SL 900 B974091 and SL 1050 B974090 (4940974097C009) Diagram

#

Description
Price

1

CABLE, OIL PUMP Substituted by 7081024

7080602

Unavailable

2

FUELLINE,54 CM.

8450061-54

Unavailable

3

CLAMP(10)

7080603

$1.59

4

O-Ring

5411293

Unavailable

5

RING-E,RET.(10)

7710427

Unavailable

6

WASHER(10)

7555944

$3.99

7

BOLT(10)

7516605

Unavailable

8

PUMP, OIL Substituted by 2540049 (Incl. 4)

1251080

Unavailable

9

FUELLINE,82 CM. Substituted by 8450061-600

8450061-82

Unavailable