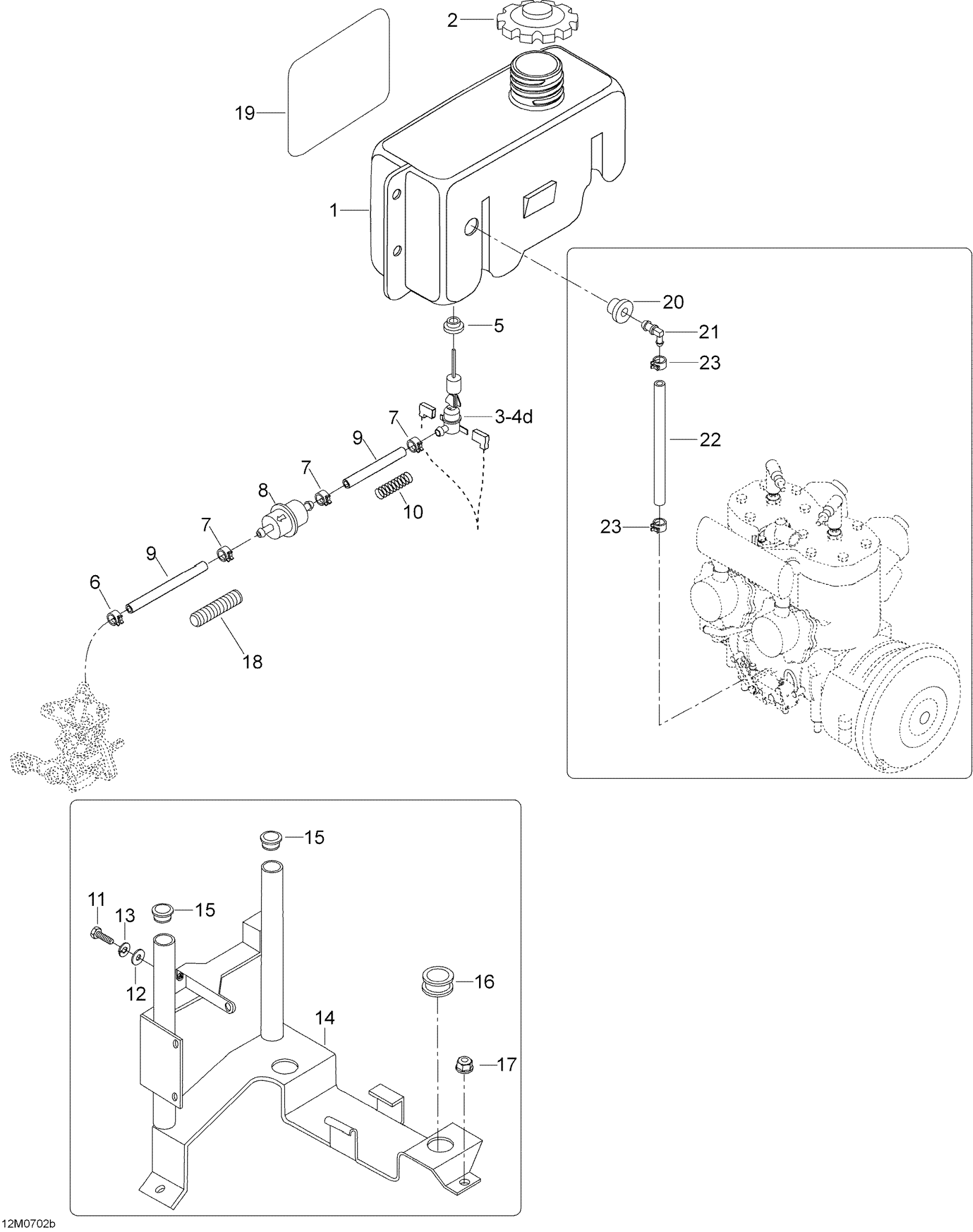
Ski-Doo Skandic WT 600, 2007 Oil System 600 Diagram
#
Description
Price
1
Oil Tank | SUV 600
M5146370
Unavailable
2
CAP - Call your local BRP dealership
519000044
Unavailable
3
OIL SENSOR - Call your local BRP dealership
605452095
Unavailable
4a
OIL LEVEL SENSOR - Call your local BRP dealership
515176327
Unavailable
10
SPRING - Call your local BRP dealership
M25005
Unavailable
11
Screw
M40322
Unavailable
14
Oil Tank Support | SUV 600
M5246593
Unavailable
15
PLUG - Call your local BRP dealership
M28136
Unavailable
16
Passe-Fils *Grommet
M5446766
Unavailable
18
HOUSING - Call your local BRP dealership
M28015
Unavailable
19
Reflecting Sheet
M5443578
Unavailable
22
Hose 5/8 1000MM LONG - Call your local BRP dealership
219704397
Unavailable
