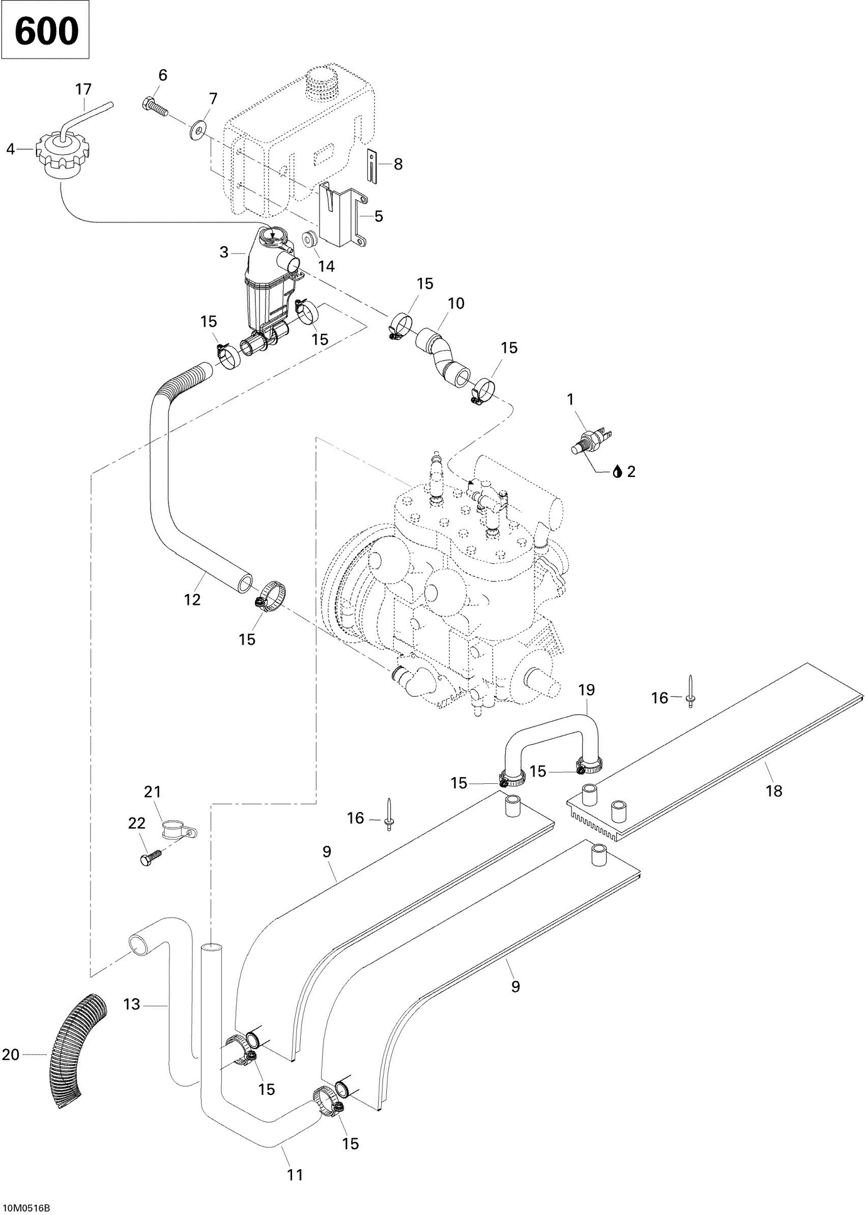
Ski-Doo Skandic WT 600, 2005 Cooling System (600) Diagram
#
Description
Price
1
Temperature Sensor | Grand Touring 500.
512047000
Unavailable
5
Tank Support
M5347031
Unavailable
6
Screw
M40322
Unavailable
8
LOCK - Call your local BRP dealership
M5447032
Unavailable
9
LH Radiator
M5146385
Unavailable
9
RH Radiator
M5146386
Unavailable
10
Hose
M5348268
Unavailable
11
Hose
M5346201
Unavailable
12
Hose
M5343357
Unavailable
13
Hose
605349198
Unavailable
15
TRIDON GEAR CLAMP - Call your local BRP dealership
408800400
Unavailable
18
Radiator
M5345916
Unavailable
19
Tube
M5445970
Unavailable
20
Housing
M28026
Unavailable
21
CLIP - Call your local BRP dealership
M27011
Unavailable
22
SCREW-M6X12 - Call your local BRP dealership
M40327
Unavailable
