- Partiron
- OEM Parts
- Ski-Doo
- 1998
- Skandic Wide Track
- Skandic Super Wide Track, 1998
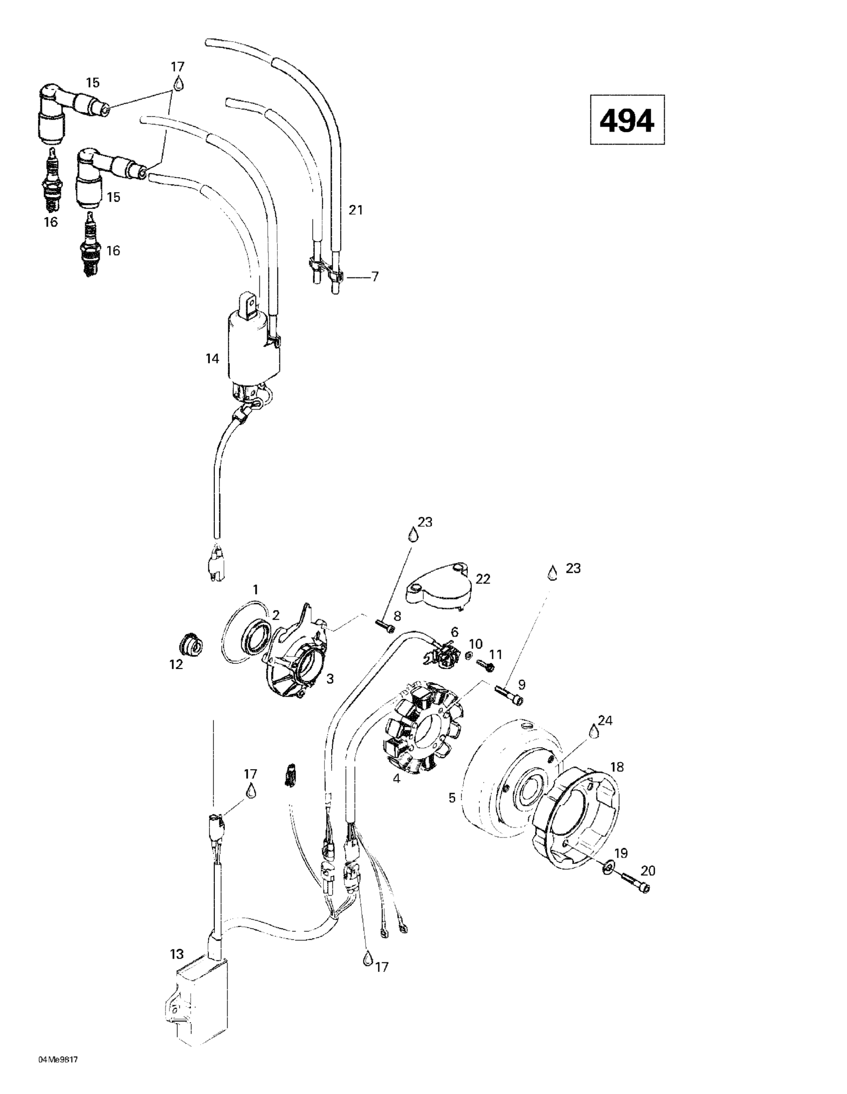
Magneto 12V 220W (494)
Ski-Doo Skandic Super Wide Track, 1998 Magneto 12V 220W (494) Diagram
#
Description
Price
1
O-RING - Call your local BRP dealership
420850430
Unavailable
2
SEAL-OIL - Call your local BRP dealership
420930695
Unavailable
3
Armature Plate
420810265
Unavailable
4
Magneto Ass'y 12V 220W | Includes 4 - 6. Formula 500. Formula 500 Deluxe.
410922000
Unavailable
4
Stator Ass'y | Formula Deluxe 583.
410922100
Unavailable
5
Magneto Flywheel | Formula 500. Formula 500 Deluxe.
410922200
Unavailable
6
Pick Up Ass'y | Formula Deluxe 583.
410921100
Unavailable
8
SCREW-ALLEN M5X20 DIN.6912 - Call your local BRP dealership
420941540
Unavailable
9
SOCKET HEAD SCREW M6 X 30 - Call your local BRP dealership This part replaces 420840886.
420840887
Unavailable
10
WASHER - Call your local BRP dealership
420827800
Unavailable
13
Amplifier-Box | Skandic Wide Track LC.
410918900
Unavailable
14
Ignition Coil | Skandic Wide Track LC.
410920500
Unavailable
15
SPARK PLUG PROTECTOR - Call your local BRP dealership | Skandic Wide Track LC.
414569200
Unavailable
17
LITHIUM GREASE, 400 GR - Call your local BRP dealership | Skandic WT LC.
413706100
Unavailable
21
SPARK PLUG WIRE - Call your local BRP dealership This part replaces 278001268.
278002198
Unavailable
22
Pick-Up Cover
420810700
Unavailable
