- Partiron
- OEM Parts
- Ski-Doo
- 1998
- Skandic Wide Track
- Skandic Super Wide Track, 1998
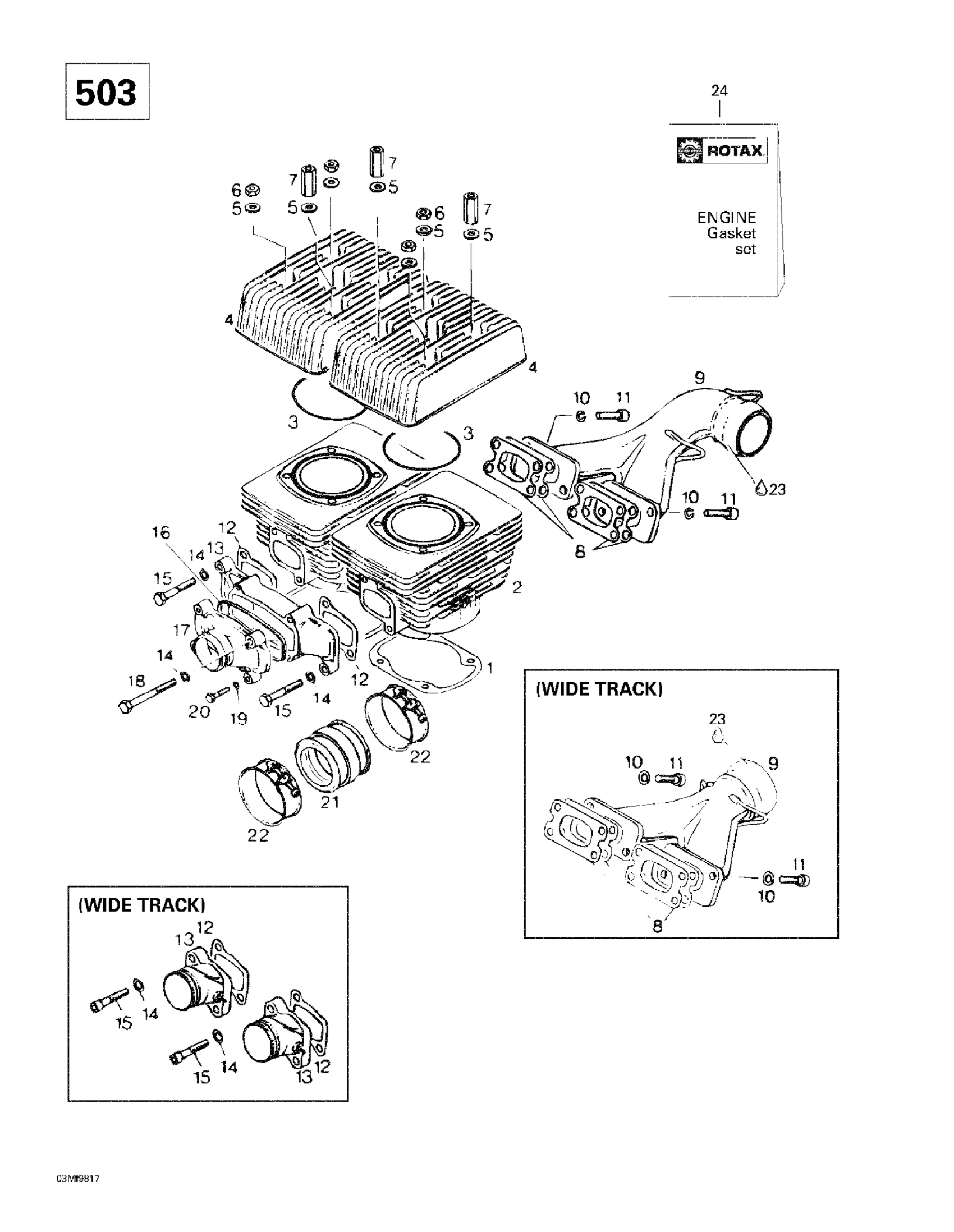
Cylinder, Exhaust Manifold (503)
Ski-Doo Skandic Super Wide Track, 1998 Cylinder, Exhaust Manifold (503) Diagram
#
Description
Price
2
REBUILD-CYLINDER 503CC - Call your local BRP dealership This part replaces 420923417.
421000500
Unavailable
4
Cylinder head | Skandic 500.
420823664
Unavailable
9
MANIFOLD-EXH. - Call your local BRP dealership | Skandic 500F. Skandic 500F (SWT).
M5242517
Unavailable
Exhaust Manifold Ass'y | Skandic Super Wide Track.
420878936
Unavailable
Exhaust Manifold Ass'y | Skandic Super Wide Track LC.
M5242547
Unavailable
12
INTAKE GASKET 1.0 MM - Call your local BRP dealership
420831867
Unavailable
13
Intake Manifold | Skandic Wide Track.
420867740
Unavailable
Intake Manifold | Skandic Super Wide Track.
420867450
Unavailable
16
RING-RUBBER - Call your local BRP dealership | Skandic Super Wide Track. This part replaces 420850150.
420850151
$8.09
17
Intake Cover Ass'y | Skandic Super Wide Track.
420867462
Unavailable
19
WASHER-LOCK DIN.128 - Call your local BRP dealership
420945751
Unavailable
21
Not Available As Spare Part - Friction Washer
Unavailable
22
Clamp
420951510
Unavailable
23
LUBRICANT LOCTITE LB 8150 236ML - Call your local BRP dealership
219704461
Unavailable
24
Engine Gasket Set | Skandic Wide Track. Skandic Super Wide Track.
420994236
Unavailable
