- Partiron
- OEM Parts
- Yamaha
- waverunner
- 1995
- SJ700T (SUPER JET) 1995
GENERATOR
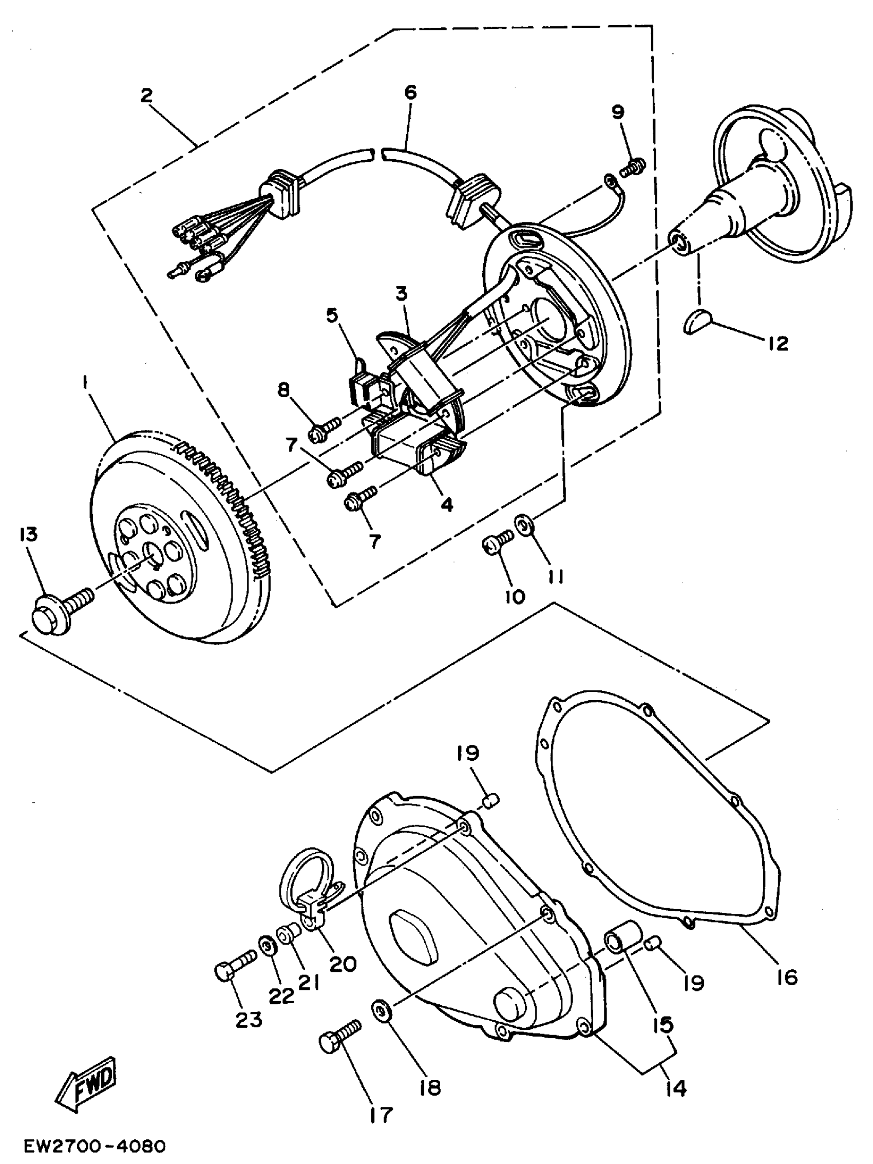
Yamaha SJ700T (SUPER JET) 1995 GENERATOR Diagram
#
Description
Price
1
ROTOR ASSEMBLY
6R7-85550-00-00
Unavailable
2
BASE ASSEMBLY
6R8-85560-00-00
Unavailable
3
. COIL, CHARGE
6M6-85520-00-00
Unavailable
4
. COIL, LIGHTING
6M6-85533-00-00
Unavailable
5
. COIL, PULSER
6M6-85580-00-00
Unavailable
6
. LEAD WIRE ASSEMBLY
6R8-85515-00-00
Unavailable
7
. SCREW, WITH WASHER
97902-05125-00
Unavailable
8
. SCREW, WITH WASHER
97902-04122-00
Unavailable
10
SCREW, PAN HEAD
98580-06016-00
Unavailable
13
BOLT
90109-10M44-00
Unavailable
14
COVER, FLYWHEEL
6M6-81337-00-4D
Unavailable
15
. BUSH, SOLID
90380-12M29-00
Unavailable
16
. GASKET, HOLE COVER
6M6-81365-A0-00
Unavailable
17
BOLT
90101-06M27-00
Unavailable
19
PIN, DOWEL (614)
93606-12019-00
Unavailable
20
CLAMP
90465-12M53-00
Unavailable
21
COLLAR
90387-06M05-00
Unavailable
23
BOLT(J52)
97080-06035-00
Unavailable
