Yamaha SJ700S (SUPER JET) 1994 STEERING Diagram
#
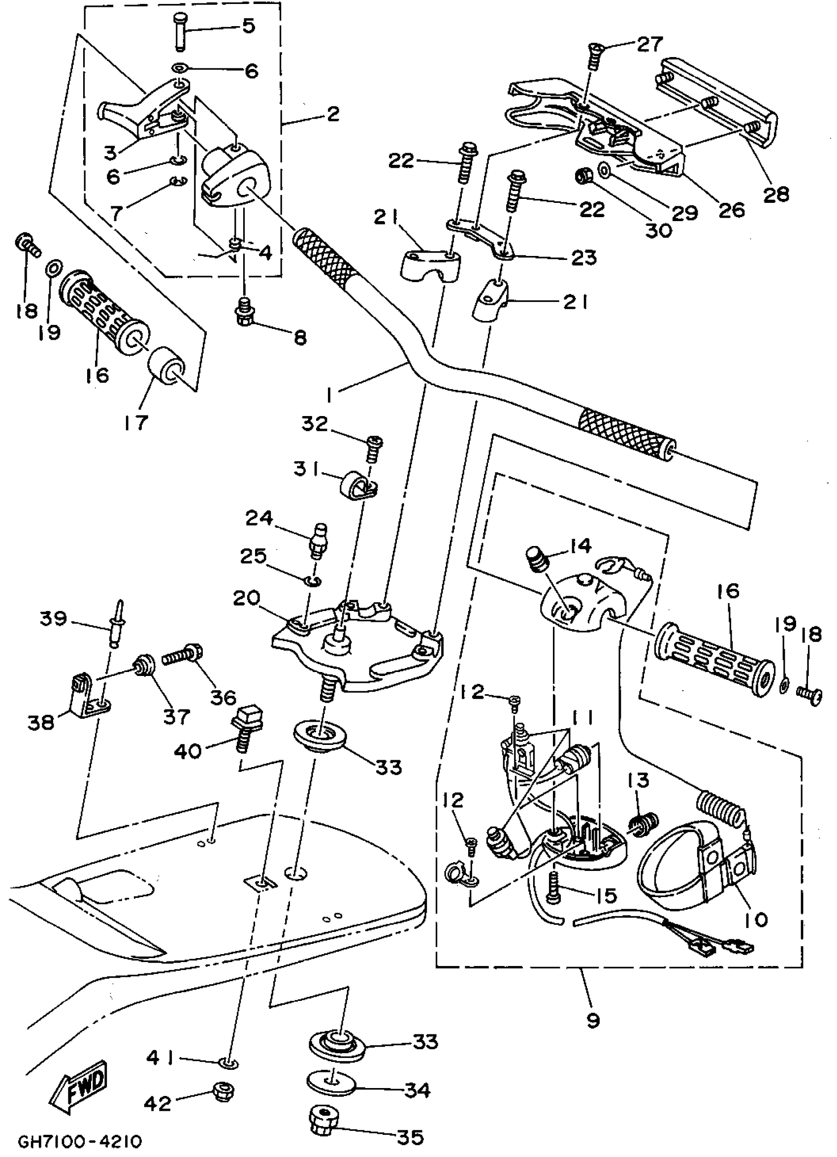
1
HANDLE
EW2-U1552-00-00
Unavailable
2
THROTTLE LEVER ASSY
EW2-67250-02-00
Unavailable
3
. LEVER, THROTTLE
EW2-67255-00-00
Unavailable
4
. SPRING
EW2-67256-00-00
Unavailable
5
. SHAFT
EW2-67257-01-00
Unavailable
7
CIRCLIP (EU0)
99080-04600-00
Unavailable
8
SCREW, WITH WASHER
90159-05900-00
Unavailable
9
SWITCH BOX ASSY
EW2-68310-04-00
Unavailable
10
. LANYARD, STOP SWITCH
EW2-68348-00-00
Unavailable
11
. SWITCH SUB ASSEMBLY
EW2-68311-01-00
Unavailable
13
. STOP BUTTON COMP
FK7-68312-02-00
Unavailable
14
. START BUTTON COMP
FK7-68313-02-00
Unavailable
16
GRIP, HANDLE 1
EW2-61553-00-00
Unavailable
17
SPACER(1LX)
90560-22281-00
Unavailable
18
SCREW,TRASS HEAD (FJ0)
90149-05959-00
Unavailable
19
WASHER, PLATE
90201-05800-00
Unavailable
20
BRAKE, ASSY.
EW2-61540-11-00
Unavailable
21
HOLDER, HANDLE UPPER
EU0-23814-02-00
Unavailable
22
BOLT, FLANGE (EW2)
90105-08902-00
Unavailable
23
PLATE, COVER
EW2-61559-00-00
Unavailable
24
SHAFT, JOINT BALL
EU0-U1461-10-00
Unavailable
25
WASHER, SPRING
92995-06100-00
Unavailable
26
COVER, HANDLE
EW2-61555-00-00
Unavailable
27
SCREW, BIND(1JK)
98980-06010-00
Unavailable
28
PAD 1
EW2-61565-00-00
Unavailable
29
YBS66-6 WASHER, PLAIN
92990-06200-00
Unavailable
30
NUT, SELF-LOCKING
95720-06300-00
Unavailable
31
CLIP, NYLON 17
90600-91728-00
Unavailable
32
SCREW, BINDING (M01)
98980-04010-00
Unavailable
33
BEARING, COLUMN
EW2-61417-00-00
Unavailable
34
WASHER, STEERING
EW2-61419-00-00
Unavailable
35
NUT (EW2)
90179-12933-00
Unavailable
36
BOLT, WITH WASHER (EW3)
90119-05912-00
Unavailable
37
COLLAR
90387-06906-00
Unavailable
38
FIX, STEERING PAD
EW2-61422-01-00
Unavailable
39
RIVET (EU0)
90267-48938-00
Unavailable
40
PIN, STOPPER 1
EW2-61314-00-00
Unavailable
41
958-69527-00 WASHER, PLAIN
92990-10200-00
Unavailable
42
NUT, FLANGE
95780-10300-00
Unavailable
