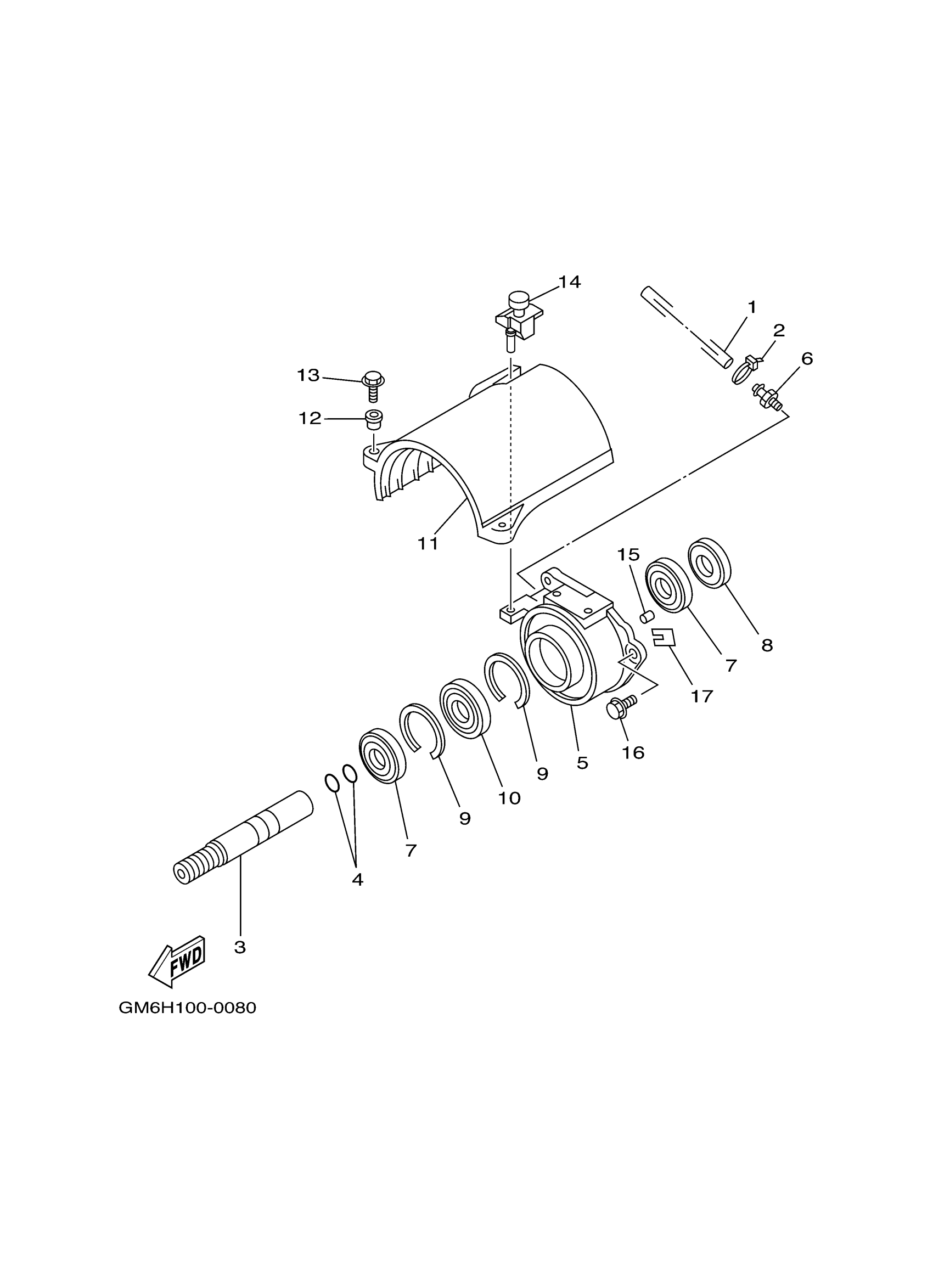
Yamaha SJ700BV (SUPER JET) F4DN 2020 JET UNIT 2 Diagram
#
Description
Price
2
CLAMP
90465-10098-00
Unavailable
3
SHAFT, COUPLER
6R7-51323-02-00
Unavailable
5
HOUSING, BEARING
61X-G5332-00-00
Unavailable
6
NIPPLE, HOSE
61L-45378-00-00
Unavailable
9
CIRCLIP
93430-47M04-00
Unavailable
10
BEARING(62G)
93306-205U6-00
Unavailable
11
COVER
61X-51381-00-00
Unavailable
13
BOLT, HEXAGON W/W DEEP RECESS
97E95-06525-00
Unavailable
16
BOLT, WITH WASHER
90119-08907-00
Unavailable
17
SHIM (T=0.5)
GD0-67249-A0-00
Unavailable
17
SHIM (T=1.0)
GD0-67249-B0-00
Unavailable
