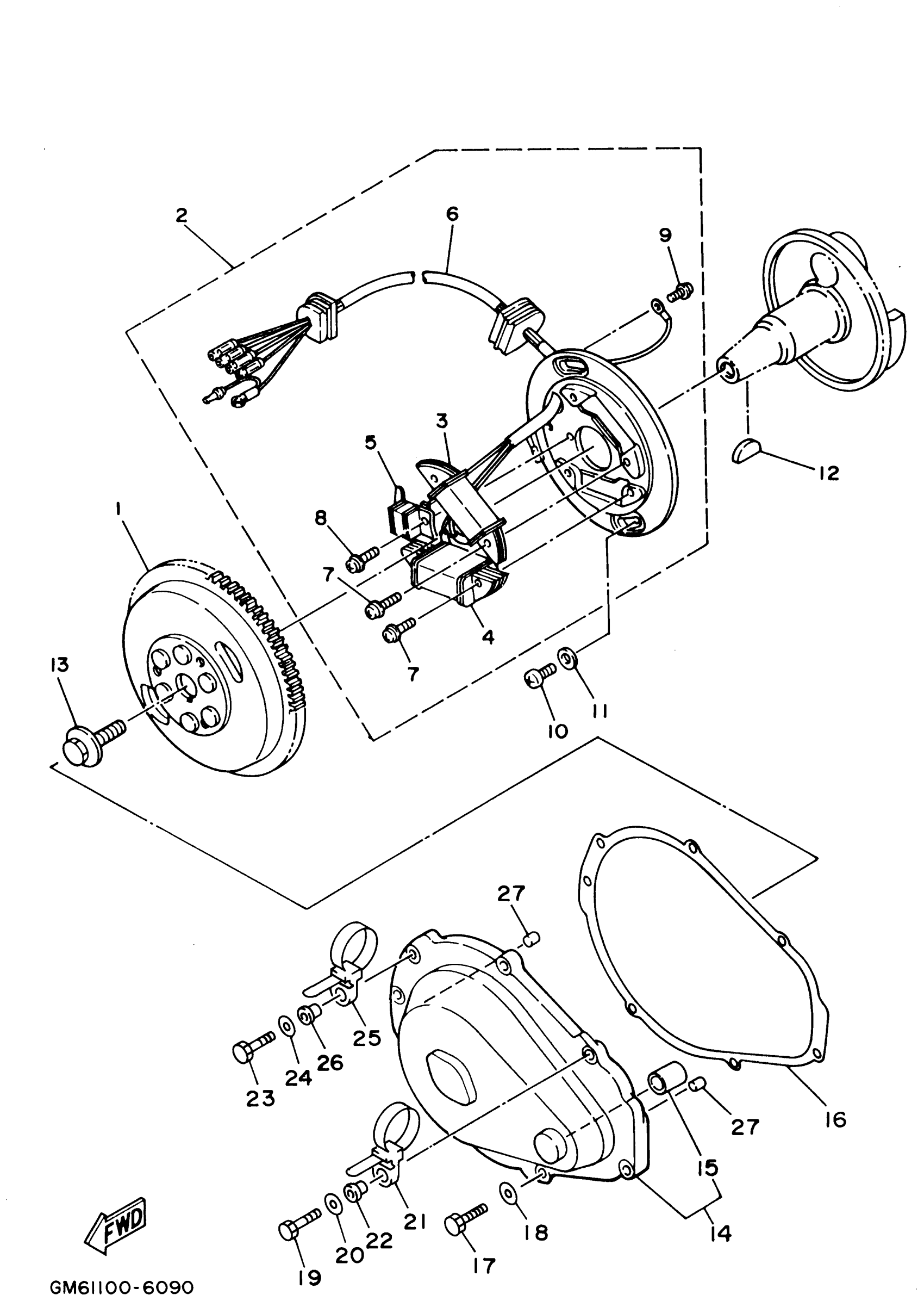
Yamaha SJ700AZ (SUPER JET) GM6K 2001 GENERATOR Diagram
#
Description
Price
1
ROTOR ASSY
62T-85550-01-00
Unavailable
2
BASE ASSY
6R8-85560-11-00
Unavailable
3
COIL, CHARGE
62T-85520-01-00
Unavailable
4
. COIL, LIGHTING
62T-85533-00-00
Unavailable
5
. COIL, PULSER
6M6-85580-00-00
Unavailable
6
LEAD WIRE ASY
6R8-85515-10-00
Unavailable
7
. SCREW, WITH WASHER
97902-05125-00
Unavailable
8
. SCREW, WITH WASHER
97902-04122-00
Unavailable
10
SCREW, PAN HEAD
98580-06016-00
Unavailable
13
BOLT
90109-10M44-00
Unavailable
14
COVER, FLYWHEEL
6M6-81337-00-8S
Unavailable
15
. BUSH, SOLID
90380-12M29-00
Unavailable
16
. GASKET, HOLE COVER
6M6-81365-A0-00
Unavailable
17
BOLT
90101-06M27-00
Unavailable
19
BOLT(J52)
97080-06035-00
Unavailable
21
CLAMP
90465-12M53-00
Unavailable
22
COLLAR
90387-06M05-00
Unavailable
23
BOLT(J52)
97080-06035-00
Unavailable
25
CLAMP
90465-12M53-00
Unavailable
26
COLLAR
90387-06M05-00
Unavailable
27
PIN, DOWEL (614)
93606-12019-00
Unavailable
