Yamaha SJ700AZ (SUPER JET) GM6K 2001 EXHAUST 1 Diagram
#
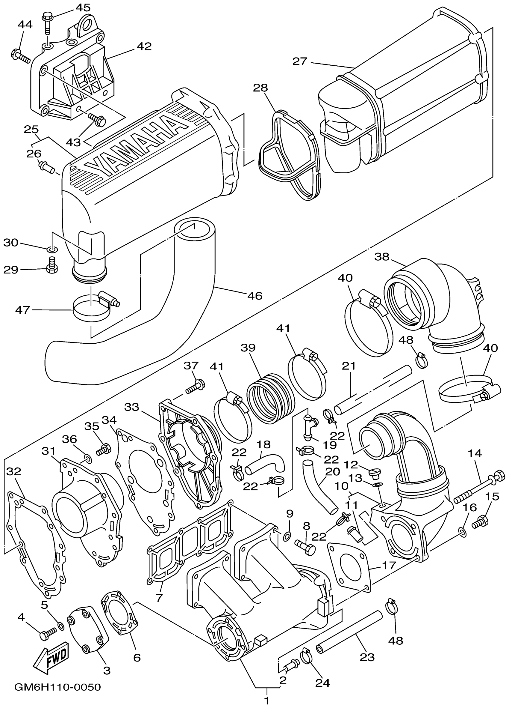
1
MUFFLER 1
61X-14711-02-00
Unavailable
2
. NIPPLE
6K8-51129-00-00
Unavailable
3
PROTECTOR, MUFFLER 1
6M6-14718-01-8S
Unavailable
6
GASKET, MUFFLER DAMPER 1
6M6-14739-A2-00
Unavailable
7
GASKET, EXHAUST PIPE
61X-14613-A1-00
Unavailable
9
.. WASHER, PLATE
92990-08600-00
Unavailable
10
RING, JOINT
61L-14712-00-00
Unavailable
11
. NIPPLE
6K8-51129-00-00
Unavailable
12
PLUG, STRAIGHT SCREW
90340-08002-00
Unavailable
13
GASKET
90430-08003-00
Unavailable
14
BOLT, WITH WASHER
97513-08590-00
Unavailable
16
.. WASHER, PLATE
92990-08600-00
Unavailable
17
GASKET, MUFFLER DAMPER 2
6R7-14749-A1-00
Unavailable
18
HOSE
90445-14M11-00
Unavailable
19
PIPE, JOINT 3
6E5-24378-00-00
Unavailable
20
HOSE
90445-14M11-00
Unavailable
21
HOSE (L1300)
90445-14M22-00
Unavailable
22
CLAMP
90465-10098-00
Unavailable
23
HOSE
90445-14M03-00
Unavailable
24
HOSE CLAMP ASSY(62T)
90450-14M05-00
Unavailable
25
MUFFLER 2
6R7-14721-00-8S
Unavailable
26
. PIPE, JOINT
6R7-14485-00-00
Unavailable
27
SILENCER, EXHAUST
6R7-14753-00-8S
Unavailable
28
SEAL, RUBBER 1
6R7-15761-00-00
Unavailable
29
BOLT(62Y)
97013-06020-00
Unavailable
31
DIFFUSER
6R7-14785-00-8S
Unavailable
32
. GASKET, SILENCER
6R7-14755-A0-00
Unavailable
33
OUTER COVER, EXHAUST
6R7-41113-00-8S
Unavailable
34
. GASKET, EXHAUST OUTER COVER
6R7-41114-A0-00
Unavailable
35
BOLT, HEXAGON DEEP RECESS
97D95-06016-00
Unavailable
37
BOLT, WITH WASHER(63M)
97513-06530-00
Unavailable
38
JOINT, EXHAUST 1
61L-14615-00-00
Unavailable
39
JOINT, EXHAUST 2
61L-14625-00-00
Unavailable
40
CLAMP, HOSE
90460-90M11-00
Unavailable
41
CLAMP, HOSE(6R7)
90460-70M16-00
Unavailable
42
STAY, MUFFLER 1
6M6-14771-00-00
Unavailable
43
BOLT WASHER BASED HEAD (6M6)
90105-10M49-00
Unavailable
44
BOLT, FLANGE
90105-10M88-00
Unavailable
45
BOLT, WITH WASHER
90119-10M17-00
Unavailable
46
PIPE, OUTLET
64V-14752-00-00
Unavailable
47
CLAMP, HOSE(6R7)
90460-64M15-00
Unavailable
48
BAND, HOSE 11
90601-11062-00
Unavailable
