- Partiron
- OEM Parts
- Yamaha
- waverunner
- 1996
- SJ700AU (SUPER JET) 1996
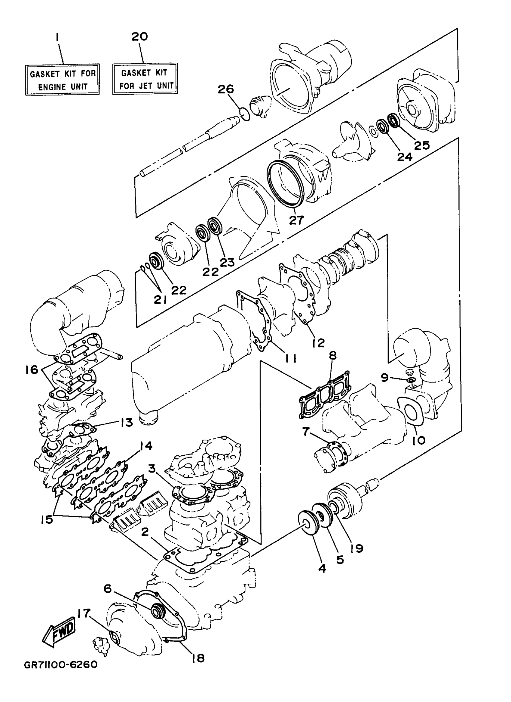
REPAIR KIT 1
Yamaha SJ700AU (SUPER JET) 1996 REPAIR KIT 1 Diagram
#
1
GASKET KIT FOR ENGINE UNIT
64U-W0001-00-00
Unavailable
2
GASKET, CYLINDER
6M6-11351-A2-00
Unavailable
3
GASKET, CYLINDER HEAD 1
62T-11181-01-00
Unavailable
4
. OIL SEAL
93102-36M33-00
Unavailable
5
. OIL SEAL
93101-36M46-00
Unavailable
6
. OIL SEAL
93103-32M01-00
Unavailable
7
GASKET, MUFFLER DAMPER 1
6M6-14739-A2-00
Unavailable
8
GASKET, EXHAUST PIPE
61X-14613-A1-00
Unavailable
9
GASKET
90430-08003-00
Unavailable
10
GASKET, MUFFLER DAMPER 2
6R7-14749-A1-00
Unavailable
11
. GASKET, SILENCER
6R7-14755-A0-00
Unavailable
12
. GASKET, EXHAUST OUTER COVER
6R7-41114-A0-00
Unavailable
13
. GASKET, MANIFOLD
62T-13556-00-00
Unavailable
14
. PLATE,REED VALVE
62T-13624-00-00
Unavailable
15
. GASKET
62T-13566-00-00
Unavailable
16
. GASKET, AIR COOLER COVER 1
62T-13674-00-00
Unavailable
17
. GASKET, PUMP CASE
6R8-13116-A0-00
Unavailable
18
. GASKET, HOLE COVER
6M6-81365-A0-00
Unavailable
19
SEAL
62T-45127-01-00
Unavailable
20
GASKETKIT FOR JET UNIT
61X-W0001-22-00
Unavailable
21
O-RING(6R7)
93210-17MA4-00
Unavailable
22
OIL SEAL(62T)
93101-25M55-00
Unavailable
23
OIL SEAL
93101-24001-00
Unavailable
24
OIL SEAL(6R7)
93102-25M34-00
Unavailable
25
OIL SEAL(6R7)
93101-25M50-00
Unavailable
26
. O-RING
93210-46M16-00
Unavailable
27
. PACKING
6R7-51117-01-00
Unavailable
