Partiron

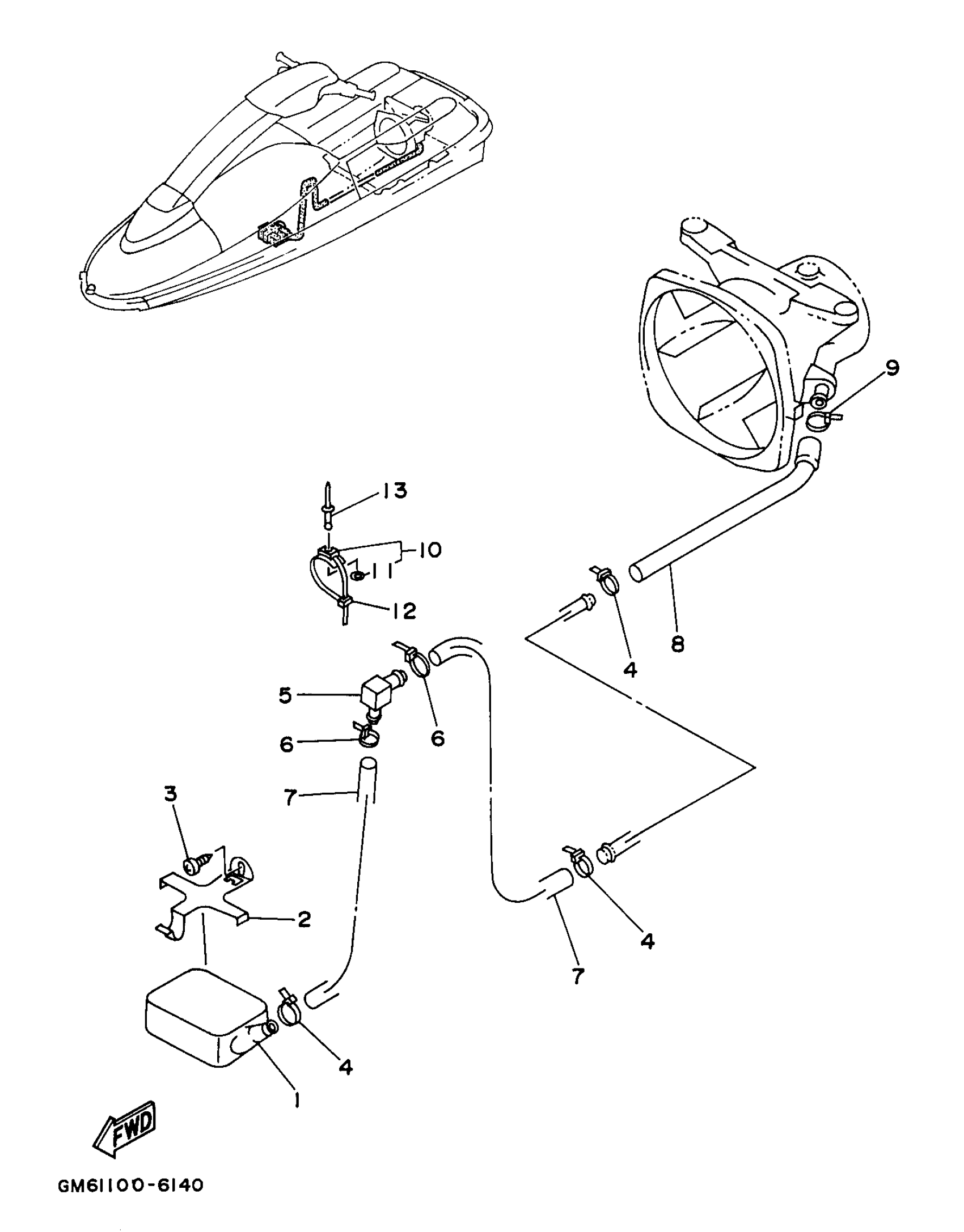
Yamaha SJ700AU (SUPER JET) 1996 HULL DECK Diagram

#

Description
Price

1

STRAINER, BILGE

F4R-6761D-00-00

$28.99

2

BASE, STRAINER BLIGE

EW2-67618-00-00

Unavailable

3

SCREW, PANHEAD TAPPING (682)

97780-50514-00

Unavailable

4

CLAMP (6E5)

90465-13M11-00

$8.49

5

JOINT, HOSE

6K8-51162-00-00

Unavailable

6

CLAMP (6E5)

90465-13M11-00

$8.49

7

HOSE (90445-14M04-00)

90445-149U1-00

Unavailable

8

HOSE (L380)

90445-14M25-00

$24.99

9

CLAMP

90465-10098-00

Unavailable

10

CLAMP COMP (EU0)

90600-91736-00

$8.49

11

. WASHER, PLAIN

90201-05925-00

Unavailable

12

RIVET, BLIND

90267-48802-00

Unavailable

13

BAND (EU0)

90601-20009-00

Unavailable