- Partiron
- OEM Parts
- Yamaha
- waverunner
- 1991
- SJ650P (SUPER JET) 1991
FUEL FILTER
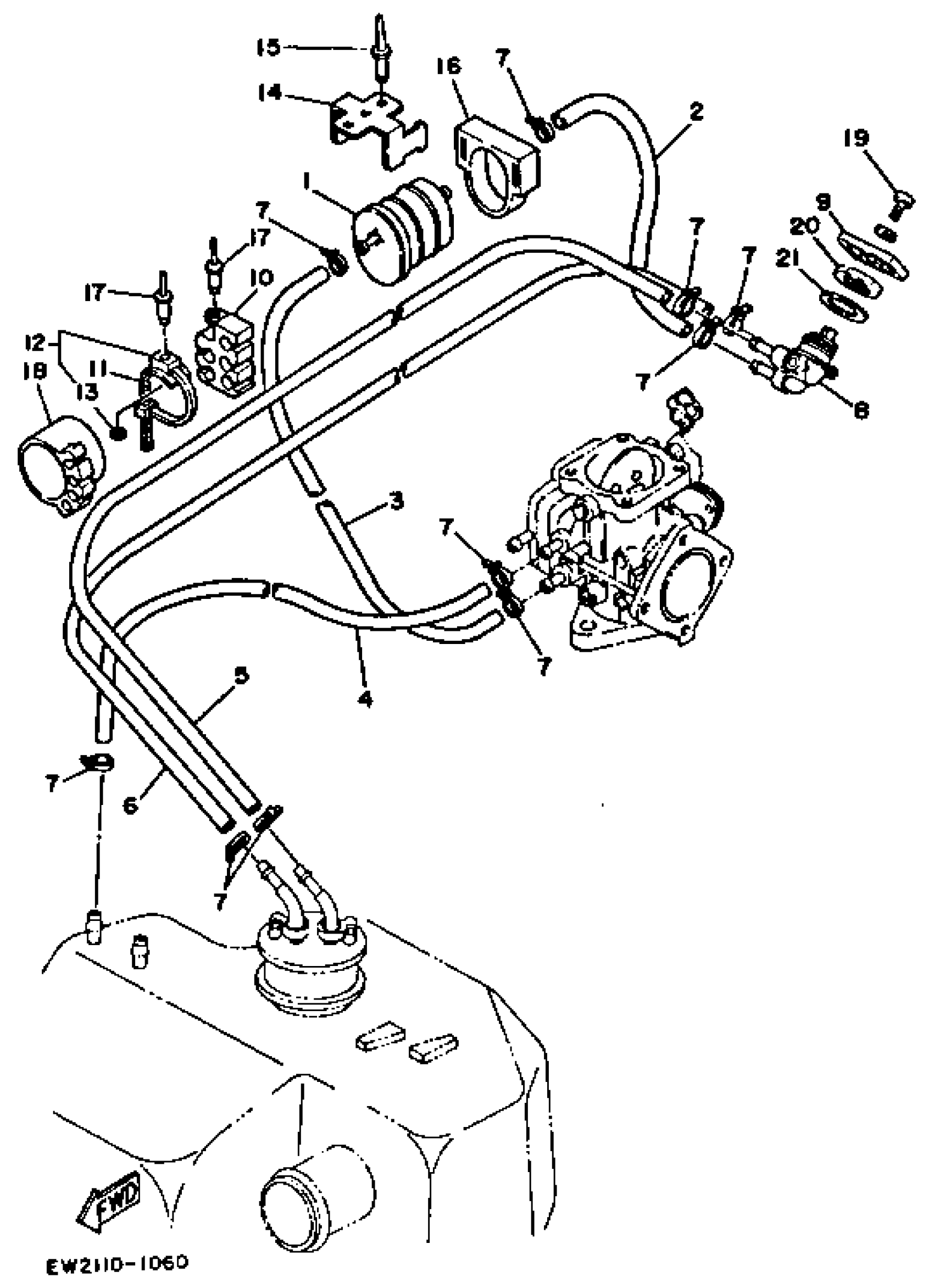
Yamaha SJ650P (SUPER JET) 1991 FUEL FILTER Diagram
#
Description
Price
1
FILTER ASSY
6K8-24560-21-00
Unavailable
5
HOSE (L1700)
90445-10M87-00
Unavailable
6
HOSE (L1700)
90445-10M87-00
Unavailable
7
CLAMP
90465-10098-00
Unavailable
8
FUEL COCK ASSY 1
6K8-24500-03-00
Unavailable
9
LEVER, COCK
6R7-24524-00-00
Unavailable
10
HOLDER,PIPE 2
EW2-67812-00-00
Unavailable
11
CLIP (EW2)
90601-20010-00
Unavailable
13
. WASHER, PLAIN
90201-05925-00
Unavailable
14
BRACKET, FUEL FILTER
FN8-67816-00-00
Unavailable
15
RIVET, BLIND
90267-48940-00
Unavailable
16
HOLDER
EU0-67817-00-00
Unavailable
17
RIVET, BLIND
90267-489UE-00
Unavailable
18
HOLDER, PIPE 1
EW2-67811-00-00
Unavailable
19
SCREW, BIND
98980-04008-00
Unavailable
20
NUT, HEXAGON (1E6)
90170-22187-00
Unavailable
21
WASHER, PLATE
90202-229U1-00
Unavailable
