Partiron

Yamaha SJ650P (SUPER JET) 1991 EXHAUST 2 Diagram

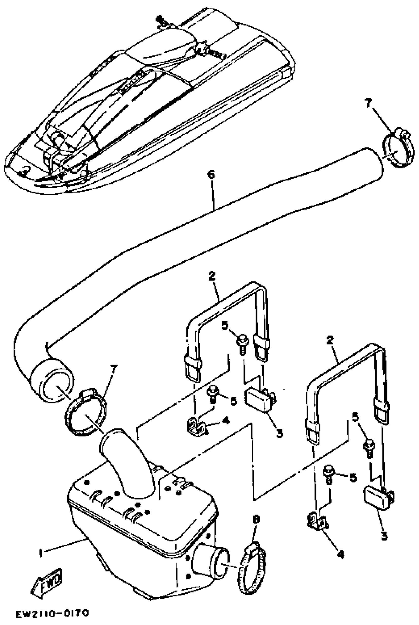
#

Description
Price

1

WATER LOCK

EW2-U7550-00-00

Unavailable

2

BAND,BATTERY

EU0-68218-04-00

Unavailable

3

HOOK B ASSY

FX1-65760-00-00

Unavailable

4

HOOK A

EW2-65772-00-00

Unavailable

5

BOLT,FLANGE (EW2)

90105-06900-00

$7.49

6

HOSE, EXHAUST

EW2-67555-00-00

Unavailable

7

BAND, HOSE 62

90601-162U5-00

Unavailable

8

BAND, HOSE 68

90601-168U7-00

Unavailable