- Partiron
- OEM Parts
- Yamaha
- waverunner
- 1991
- SJ650P (SUPER JET) 1991
EXHAUST 1
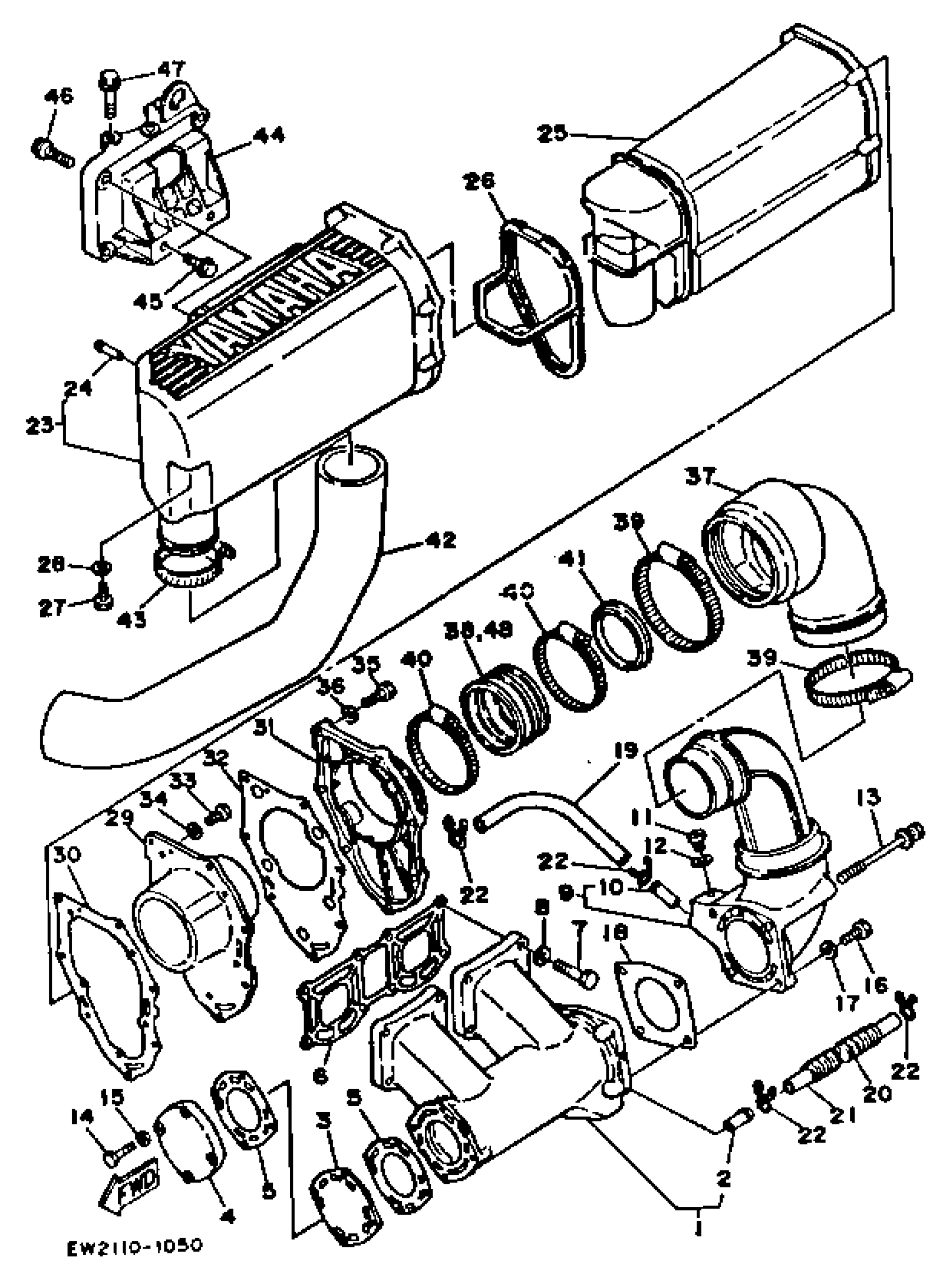
Yamaha SJ650P (SUPER JET) 1991 EXHAUST 1 Diagram
#
1
MUFFLER 1
6R7-14711-01-9M
Unavailable
2
. NIPPLE
6K8-51129-00-00
Unavailable
3
EXHAUST INNER CVR.
6M6-41111-00-00
Unavailable
4
PROTECTOR, MUFFLER 1
6M6-14718-01-8S
Unavailable
5
GASKET, MUFFLER DAMPER 1
6M6-14739-A2-00
Unavailable
6
GASKET, EXHAUST PIPE
6M6-14613-A0-00
Unavailable
8
.. WASHER, PLATE
92990-08600-00
Unavailable
9
RING,JOINT
99999-02326-00
Unavailable
10
. NIPPLE
6K8-51129-00-00
Unavailable
11
PLUG, STRAIGHT SCREW
90340-08002-00
Unavailable
12
GASKET
90430-08003-00
Unavailable
13
BOLT, WITH WASHER
90119-08M38-00
Unavailable
14
BOLT
90101-06M27-00
Unavailable
16
BOLT (682)
97013-08025-00
Unavailable
17
.. WASHER, PLATE
92990-08600-00
Unavailable
18
GASKET, MUFFLER DAMPER 2
6R7-14749-A1-00
Unavailable
19
HOSE (L380)
90445-14M25-00
Unavailable
20
HOSE (L230)
90446-20M24-00
Unavailable
21
HOSE
90445-14M03-00
Unavailable
22
CLIP(6M6)
90467-13M13-00
Unavailable
23
MUFFLER 2
6R7-14721-00-8S
Unavailable
24
. PIPE, JOINT
6R7-14485-00-00
Unavailable
25
SILENCER, EXHAUST
6R7-14753-00-8S
Unavailable
26
SEAL, RUBBER 1
6R7-15761-00-00
Unavailable
27
BOLT, HEXAGON DEEP RECESS
97D95-06016-00
Unavailable
29
DIFFUSER
6R7-14785-00-8S
Unavailable
30
. GASKET, SILENCER
6R7-14755-A0-00
Unavailable
31
OUTER COVER, EXHAUST
6R7-41113-00-8S
Unavailable
32
. GASKET, EXHAUST OUTER COVER
6R7-41114-A0-00
Unavailable
33
BOLT, HEXAGON DEEP RECESS
97D95-06016-00
Unavailable
35
BOLT
90101-06M27-00
Unavailable
37
JOINT, EXHAUST 1
61L-14615-00-00
Unavailable
38
JOINT, EXHAUST 2
61L-14625-00-00
Unavailable
39
CLAMP, HOSE
90460-90M11-00
Unavailable
40
CLAMP, HOSE(6R7)
90460-70M16-00
Unavailable
41
JOINT, EXHAUST 3
6R7-14635-00-00
Unavailable
42
PIPE, OUTLET
EW2-E4752-00-00
Unavailable
43
CLAMP, HOSE(6R7)
90460-64M15-00
Unavailable
44
STAY, MUFFLER 1
6M6-14771-00-00
Unavailable
45
BOLT WASHER BASED HEAD (6M6)
90105-10M49-00
Unavailable
46
BOLT, WASHER BASED
90105-10M45-00
Unavailable
47
BOLT, WITH WASHER
90119-10M72-00
Unavailable
48
JOINT, EXHAUST 2
61L-14625-00-00
Unavailable
