Yamaha SJ650D (SUPER JET) 1990 STEERING Diagram
#
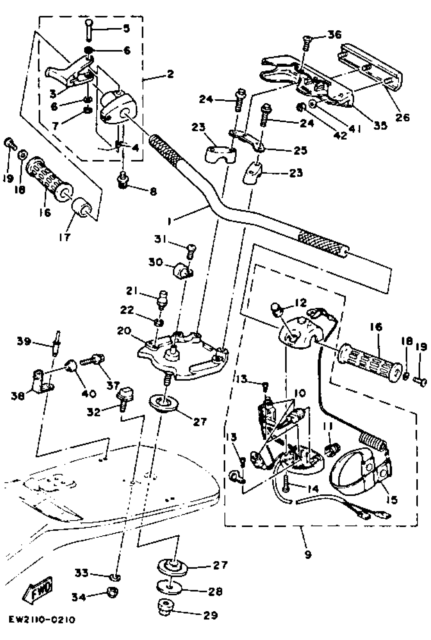
1
HANDLE
EW2-U1552-00-00
Unavailable
2
THROTTLE LEVER ASSY
EW2-67250-02-00
Unavailable
3
. LEVER, THROTTLE
EW2-67255-00-00
Unavailable
4
. SPRING
EW2-67256-00-00
Unavailable
5
. SHAFT
EW2-67257-01-00
Unavailable
7
CIRCLIP (EU0)
99080-04600-00
Unavailable
8
SCREW, WITH WASHER
90159-05900-00
Unavailable
9
SWITCH BOX ASSY
EW2-68310-04-00
Unavailable
10
. SWITCH SUB ASSEMBLY
EW2-68311-01-00
Unavailable
11
. STOP BUTTON COMP
FK7-68312-02-00
Unavailable
12
. START BUTTON COMP
FK7-68313-02-00
Unavailable
15
. LANYARD, STOP SWITCH
EW2-68348-00-00
Unavailable
16
GRIP, HANDLE 1
EW2-61553-00-00
Unavailable
17
SPACER(1LX)
90560-22281-00
Unavailable
18
WASHER, PLATE
90201-05015-00
Unavailable
19
SCREW, PAN HEAD
98580-05020-00
Unavailable
20
BRAKE, ASSY.
EW2-61540-11-00
Unavailable
21
SHAFT, JOINT BALL
EU0-U1461-10-00
Unavailable
22
WASHER, SPRING
92995-06100-00
Unavailable
23
HOLDER, HANDLE UPPER
EU0-23814-02-00
Unavailable
24
BOLT, FLANGE (EW2)
90105-08902-00
Unavailable
25
PLATE, COVER
EW2-61559-00-00
Unavailable
26
PAD 1
EW2-61565-00-00
Unavailable
27
BEARING, COLUMN
EW2-61417-00-00
Unavailable
28
WASHER, STEERING
EW2-61419-00-00
Unavailable
29
NUT (EW2)
90179-12933-00
Unavailable
30
CLIP, NYLON 17
90600-91728-00
Unavailable
31
SCREW, BINDING (M01)
98980-04010-00
Unavailable
32
PIN, STOPPER 1
EW2-61314-00-00
Unavailable
33
958-69527-00 WASHER, PLAIN
92990-10200-00
Unavailable
34
NUT, FLANGE
95780-10300-00
Unavailable
35
COVER, HANDLE
EW2-61555-00-00
Unavailable
36
SCREW, BIND(1JK)
98980-06010-00
Unavailable
37
BOLT, WITH WASHER (EW3)
90119-05912-00
Unavailable
38
FIX, STEERING PAD
EW2-61422-01-00
Unavailable
39
RIVET (EU0)
90267-48938-00
Unavailable
40
COLLAR
90387-06906-00
Unavailable
41
YBS66-6 WASHER, PLAIN
92990-06200-00
Unavailable
42
NUT, SELF-LOCKING
95720-06300-00
Unavailable
