- Partiron
- OEM Parts
- Yamaha
- waverunner
- 1990
- SJ650D (SUPER JET) 1990
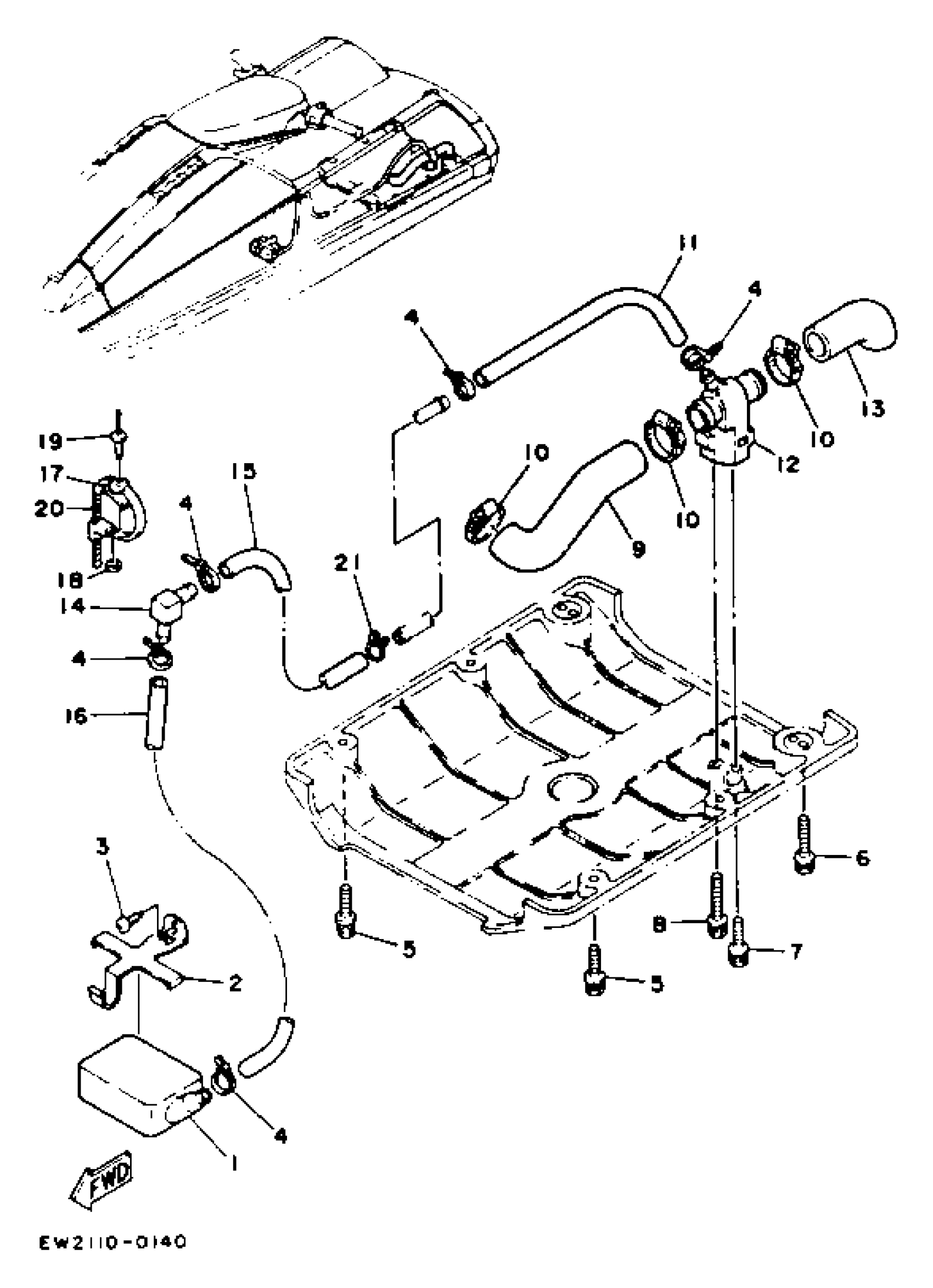
HULL - DECK 3
Yamaha SJ650D (SUPER JET) 1990 HULL - DECK 3 Diagram
#
Description
Price
2
BASE, STRAINER BLIGE
EW2-67618-00-00
Unavailable
3
SCREW, PANHEAD TAPPING (682)
97780-50514-00
Unavailable
4
CLAMP
90465-10098-00
Unavailable
5
BOLT, WITH WASHER
90119-06896-00
Unavailable
6
BOLT, WITH WASHER
90119-06914-00
Unavailable
7
BOLT, WITH WASHER
90119-06896-00
Unavailable
8
BOLT, W/WASHER
90119-06919-00
Unavailable
9
HOSE, SPLASHER
6R7-51161-00-00
Unavailable
10
HOSE CLAMP ASSY
90450-32097-00
Unavailable
11
HOSE
90445-14M02-00
Unavailable
12
BODY, VALVE
6K8-7610K-01-00
Unavailable
13
HOSE SUCTION
6K8-51141-00-00
Unavailable
14
JOINT, HOSE
6K8-51162-00-00
Unavailable
15
HOSE
90445-14M03-00
Unavailable
16
HOSE (L450)
90445-14M04-00
Unavailable
17
CLAMP COMP (EU0)
90600-91736-00
Unavailable
18
. WASHER, PLAIN
90201-05925-00
Unavailable
19
RIVET, BLIND
90267-489UE-00
Unavailable
20
BAND (EU0)
90601-20009-00
Unavailable
21
CLIP(6M6)
90467-13M13-00
Unavailable
