- Partiron
- OEM Parts
- Honda
- MOTOR SCOOTER
- 1987
- SE50PA (87) ELITE 50, JPN, VIN# JH2AF121-HS000001 TO JH2AF121-HS012411
FRONT FORK
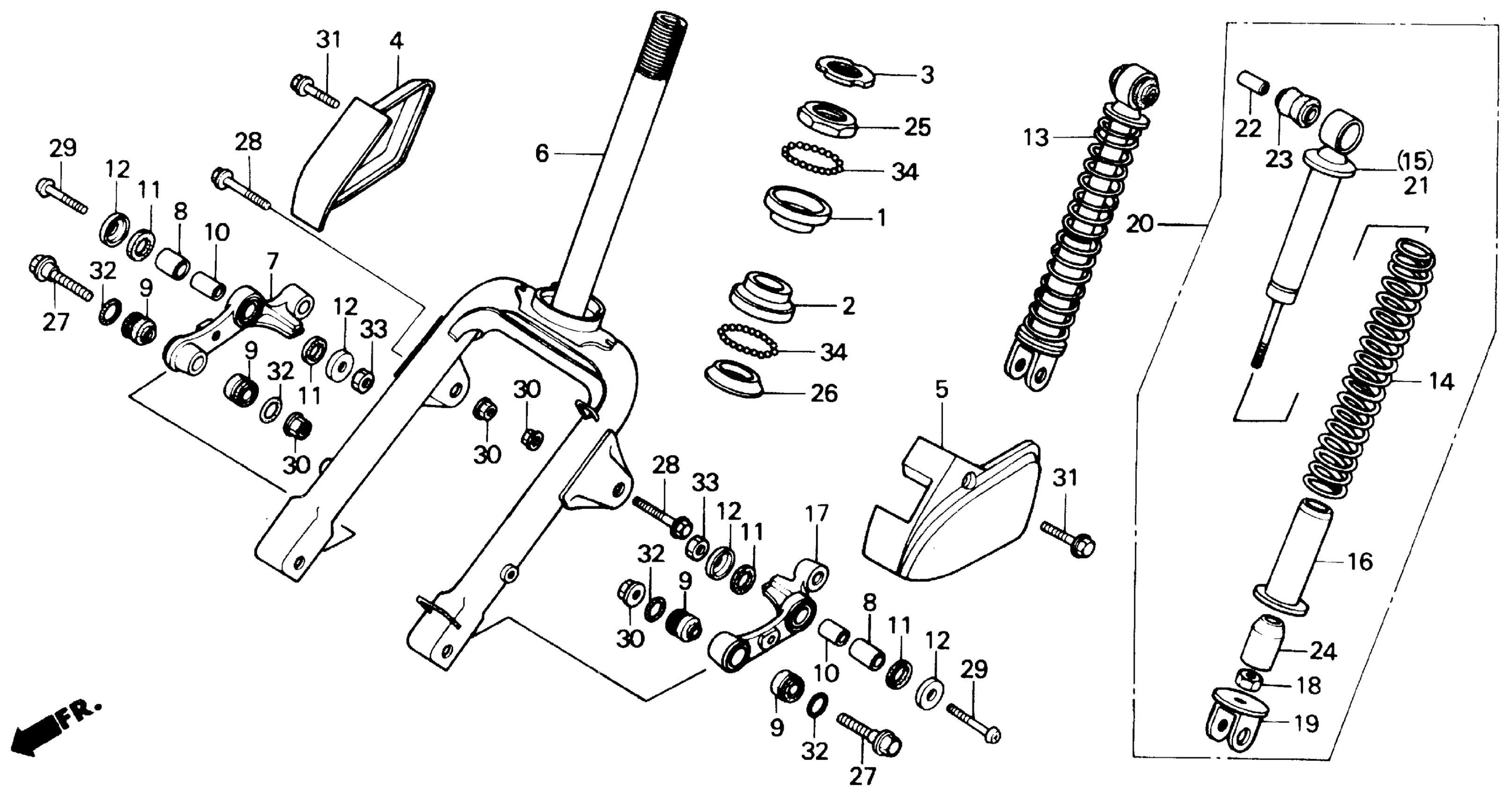
Honda SE50PA (87) ELITE 50, JPN, VIN# JH2AF121-HS000001 TO JH2AF121-HS012411 FRONT FORK Diagram
#
Description
Price
3
NUT, STEERING STEM LOCK This part replaces 50306-196-000.
50306-196-010
Unavailable
3
NUT, STEERING STEM LOCK
50306-196-010
Unavailable
4
COVER, R. PIVOT ARM *NH1* (BLACK)
51103-GR1-000ZB
Unavailable
5
COVER, L. PIVOT ARM *NH1* (BLACK)
51104-GR1-000ZB
Unavailable
6
FORK, FR. *NH1* (BLACK) (NOT AVAILABLE)
51105-GR1-700ZA
Unavailable
7
ARM, R. FR. PIVOT
51311-GN2-000
Unavailable
9
BUSH, PIVOT ARM
51314-GR1-003
Unavailable
13
SHOCK ASSY., R. FR. *NH1* (BLACK) (NOT AVAILABLE)
51400-GR1-711ZB
Unavailable
14
SPRING, FR. FORK *NH1* (BLACK)
51401-GR1-711ZB
Unavailable
15
DAMPER, R. FR.
51410-GR1-711
Unavailable
16
GUIDE, SPRING
51411-GB4-000
Unavailable
17
ARM, L. FR. PIVOT
51411-GN2-000
Unavailable
18
NUT, LOCK (8MM)
51413-GB4-003
Unavailable
19
JOINT, FR. FORK (LOWER)
51420-GR1-003
Unavailable
20
SHOCK ASSY., L. FR. *NH1* (BLACK)
51500-GR1-711ZB
Unavailable
21
DAMPER, L. FR.
51510-GR1-711
Unavailable
23
BUSH, RR. SHOCK ABSORBER
52489-074-003
Unavailable
24
RUBBER, STOPPER
52517-KJ9-003
Unavailable
29
BOLT, FR. FORK (LOWER)
90149-041-010
Unavailable
