- Partiron
- OEM Parts
- Polaris
- ATV
- 2024
- SCRAMBLER XP 1000 55" 49S (R03) - A24SGE95AT
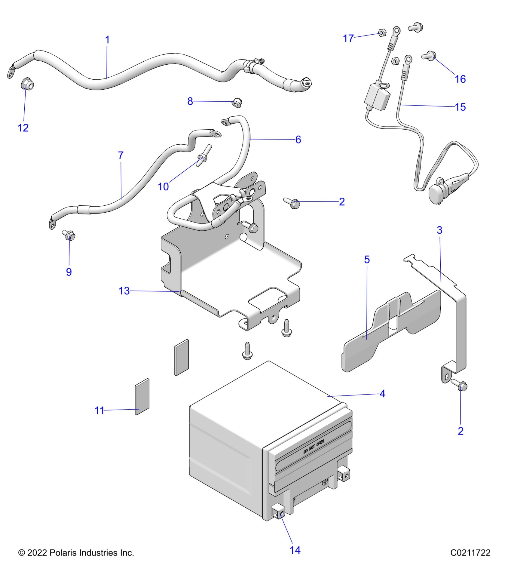
ELECTRICAL, BATTERY - A24SGE95AT (C021172)
Polaris SCRAMBLER XP 1000 55" 49S (R03) - A24SGE95AT ELECTRICAL, BATTERY - A24SGE95AT (C021172) Diagram
#
Description
Price
12
NUT-M8X1.25,HXFLG,NYLON INS [TO 3/1/2024]
7547317
Unavailable
