- Partiron
- OEM Parts
- Polaris
- ATV
- 1996
- SCRAMBLER - W967840
REAR BRAKE Scrambler W967840 (4935823582C004)
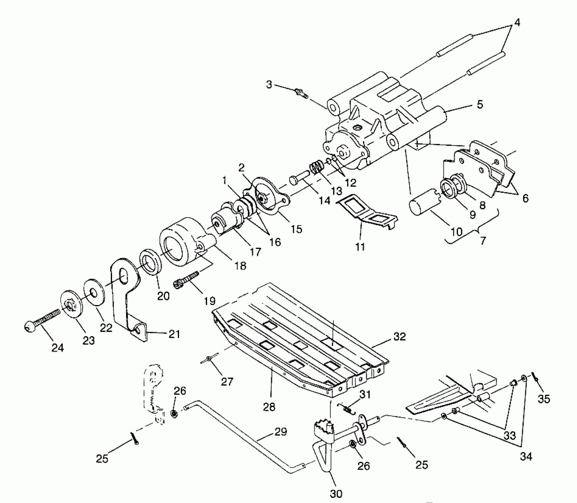
Polaris SCRAMBLER - W967840 REAR BRAKE Scrambler W967840 (4935823582C004) Diagram
#
Description
Price
1
WASHER(10)
7555921
Unavailable
5
CALIPER,R.BRAKE,MACH
5131272
Unavailable
6
KIT,R.BRAKEPAD,HVY.DUTY
2200899
Unavailable
9
RING, SQUARE,(1''DIAM.) Substituted by 2200463 (.099 Sq.)
5410767
Unavailable
11
SPRING,ANTI-RATTLE
5240993
Unavailable
12
O RING-.364X.504X.07
5410542
Unavailable
14
PIN,BRAKE CALIPER
5020791
Unavailable
17
RAMP,MOVE.BRAKE Substituted by 2200906
5630538
Unavailable
18
RAMP, STAT.BRAKE Substituted by 2200905
5630457
Unavailable
19
SCREW(10)
7512173
Unavailable
21
ARM,BRAKE CALIPER
5240901
Unavailable
22
WASHER, SPRING(10)
7555828
Unavailable
23
WASHER(10)
7571632
Unavailable
24
BOLT,LH SOC/HD.
7515160
Unavailable
28
Trim Footrest (See Pg., Ref.)
-------
Unavailable
30
BRAKE,FOOT,BLK.
1910172-067
Unavailable
32
Weld., Foot Pad (See Pg., Ref.)
-------
Unavailable
