- Partiron
- OEM Parts
- Polaris
- ATV
- 1996
- SCRAMBLER - W967840
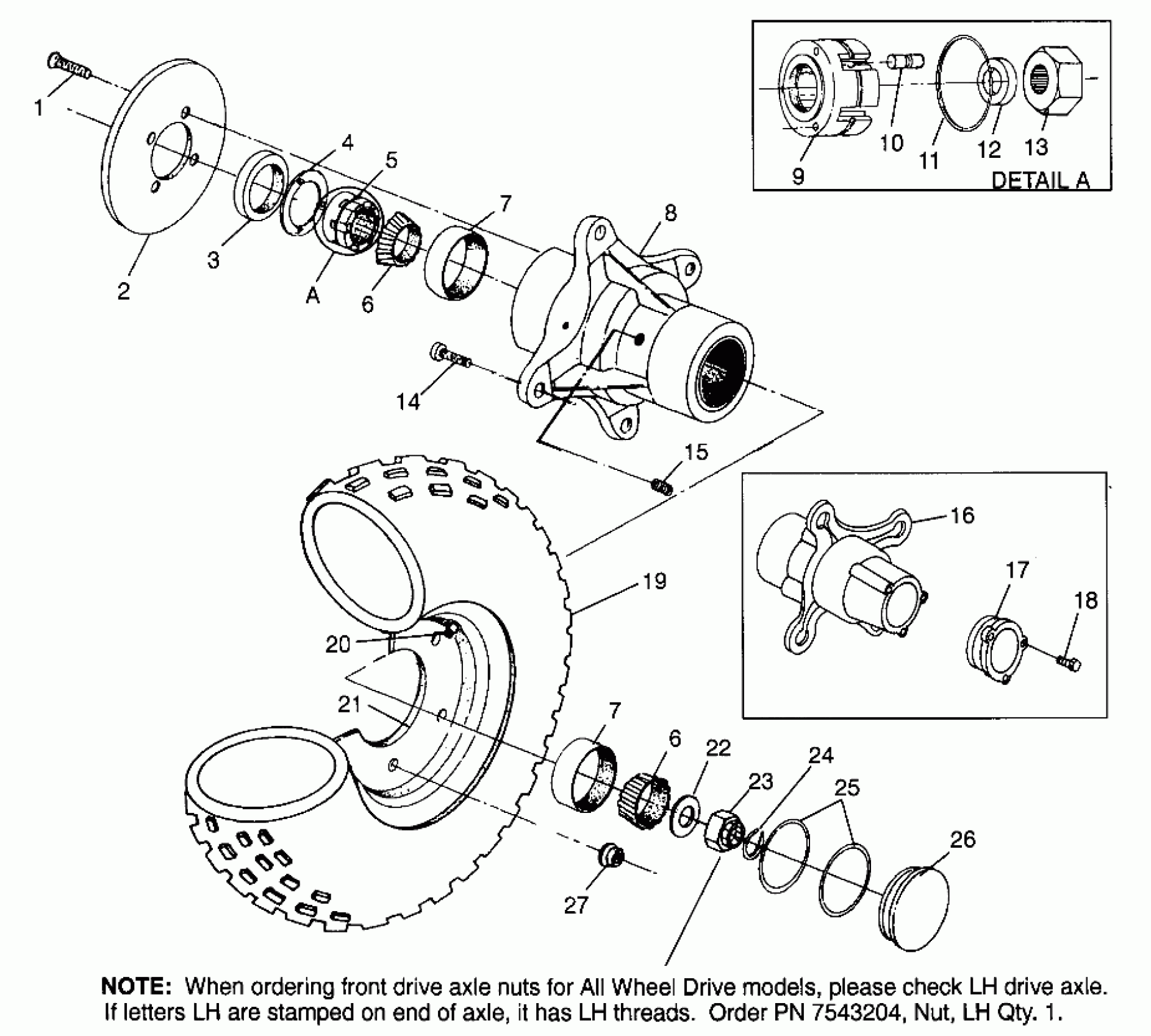
FRONT WHEEL Scrambler W967840 (4935823582B006)
Polaris SCRAMBLER - W967840 FRONT WHEEL Scrambler W967840 (4935823582B006) Diagram
#
Description
Price
8
HUB ASM,W/BRG.RACE (Use prior to 3-Lobe) (Incl. 3, 7, 14)
1520182
Unavailable
16
HUB ASM,(3-LOBE)W/BRG.RACE (3-Lobe) (Incl. 1, 3, 7, 14, 15)
1520227
Unavailable
18
SCREW(10)
7517250
Unavailable
19
TIRE,FR(23X7X10)
5410910
Unavailable
21
RIM,FRT.,WHITE
1520207-133
Unavailable
22
WASHER(10)
7555903
Unavailable
23
NUT,LH THREAD
7543204
Unavailable
23
NUT,RH THREAD
7543201
Unavailable
