- Partiron
- OEM Parts
- Polaris
- ATV
- 1996
- SCRAMBLER - W967840
FRONT STRUT Scrambler W967840 (4935823582B005)
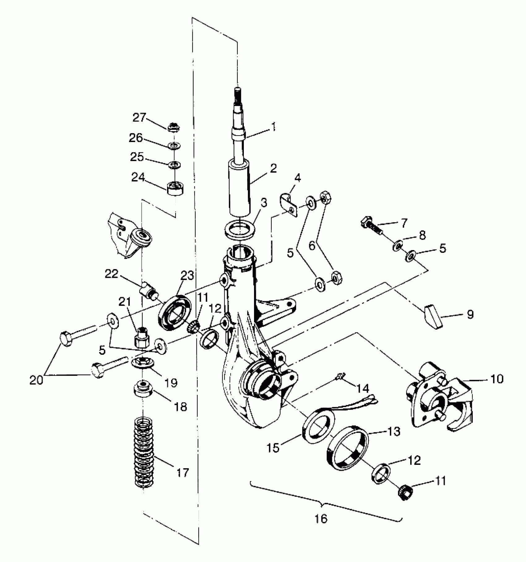
Polaris SCRAMBLER - W967840 FRONT STRUT Scrambler W967840 (4935823582B005) Diagram
#
Description
Price
1
BUMPER, STRUT Substituted by 5411468
5410791
Unavailable
2
STRUT,FRONT,32MM. Substituted by 7041755
7041374
Unavailable
9
RETAINER,WIRE,STRUT CAST
5810439
Unavailable
10
Asm., Front Brake Caliper, RH (See Pg. for Details)
-------
Unavailable
16
HUBSTRUT ASM,LH,HVY. Substituted by 2200975 (Incl. 9, 13-16)
2200609
Unavailable
16
HUBSTRUT ASM,RH,HVY. Substituted by 2200976 (Incl. 9, 13-16)
2200610
Unavailable
18
RETAINER,SPRING,TOP
5220602
Unavailable
19
PIVOT BALL,BOTTOM Substituted by 5432871
5430807
Unavailable
22
Asm., Drive Shaft w/Sleeve, LH (See Pg., Ref., for Neapco Parts; Pg., Ref., for BTB Parts)
-------
Unavailable
22
Asm., Drive Shaft w/Sleeve, RH (See Pg., Ref., for Neapco Parts; Pg., Ref., for BTB Parts)
-------
Unavailable
24
PIVOT BALL, TOP Substituted by 5432872
5430806
Unavailable
