- Partiron
- OEM Parts
- Polaris
- ATV
- 1996
- SCRAMBLER - W967840
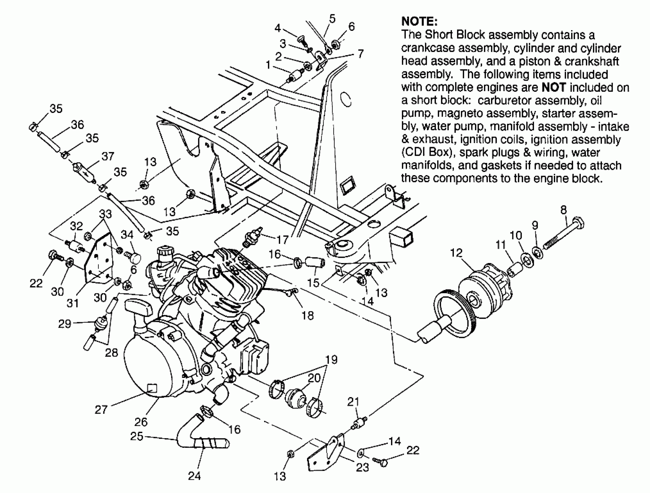
ENGINE MOUNTING Scrambler W967840 (4935823582A009)
Polaris SCRAMBLER - W967840 ENGINE MOUNTING Scrambler W967840 (4935823582A009) Diagram
#
Description
Price
1
MT.,RUBBER,ENG.
3110038
Unavailable
5
CABLE,GROUND/ENG.
4010067
Unavailable
7
MOUNT,ENG.TOP
5222415-067
Unavailable
12
Clutch, Drive Basic (See Pg., Ref.)
-------
Unavailable
18
CABLE,SOLENOID/STARTER
4010064
Unavailable
21
MOUNT,MOTOR
3110026
Unavailable
23
MOUNT,ENGINE
1040231-067
Unavailable
26
ENG.(S.B.)EC38PL-SB [No Longer Available]
3084718
Unavailable
27
DECAL,DRAIN RECOIL Substituted by 7078577
7075741
Unavailable
28
FUEL LINE,1/8 ID,600 CM.
8360009-600
Unavailable
29
CHECKVALVE,VENT Substituted by 7051011
7052047
Unavailable
30
WASHER SPRINGLOCK(10) Substituted by 7552603
7553001
Unavailable
30
WASHER SPRINGLOCK(10) Substituted by 7552603
7553001
Unavailable
31
MOUNT, REAR MOTOR, BLK.
5240542-067
Unavailable
32
MOUNT,RUBBER,ENG.
3110042
Unavailable
36
DESC NOT_AVAILABLE
8450042-1525
Unavailable
36
DESC NOT_AVAILABLE
8450042-1525
Unavailable
