- Partiron
- OEM Parts
- Polaris
- ATV
- 1986
- SCRAMBLER - W867027
Swing Arm Weldment and Rear Shock Assembly (4911991199032A)
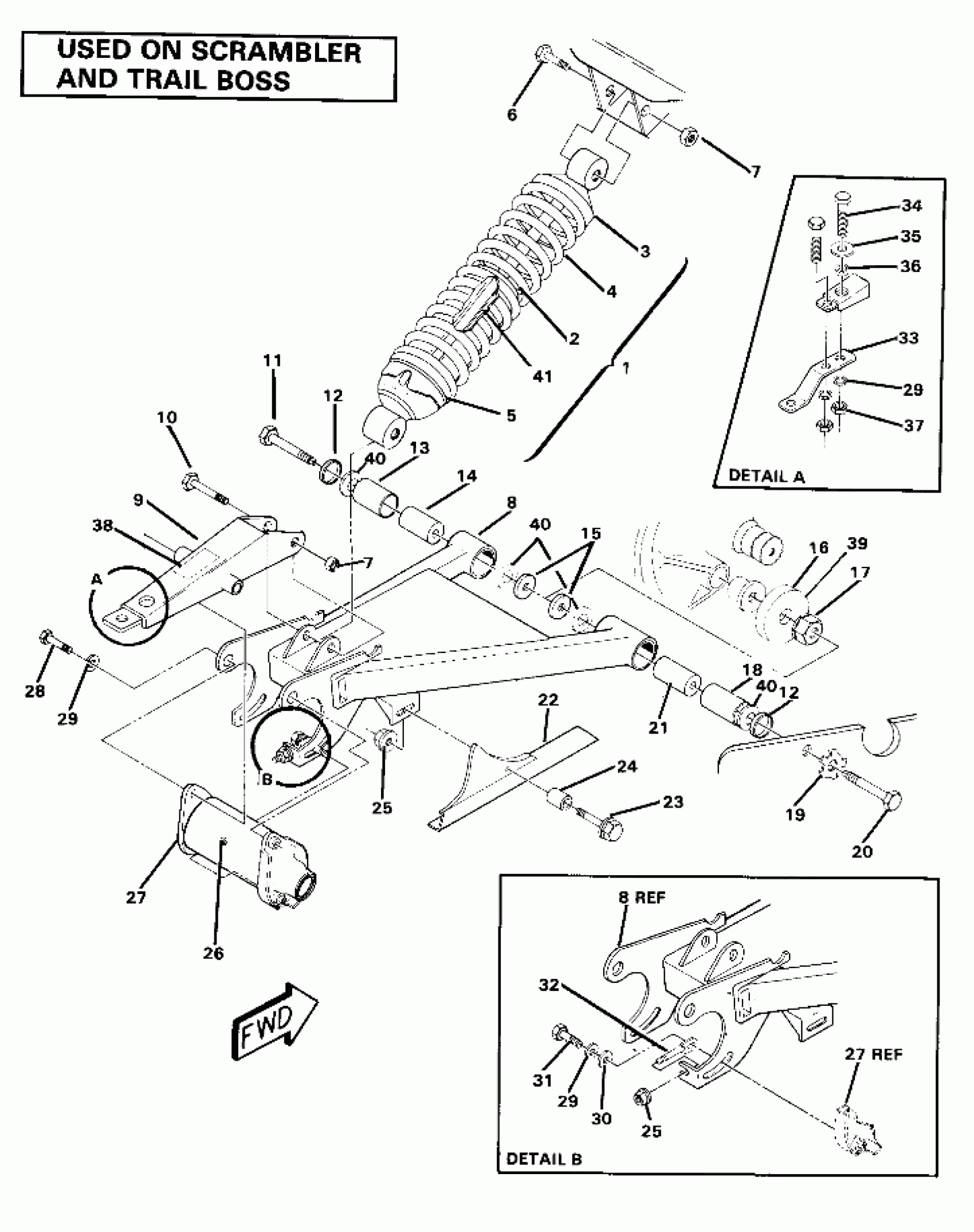
Polaris SCRAMBLER - W867027 Swing Arm Weldment and Rear Shock Assembly (4911991199032A) Diagram
#
Description
Price
-
Desc not available [No Longer Available]
2870675
Unavailable
1
SHOCK ASM,REAR [Item NotAvailable] (Incl. 2-5)
1580004
Unavailable
2
SHOCK,REAR SUSP.
7041156
Unavailable
2
SHOCK,REAR SUSP.
7041156
Unavailable
3
RETAINER, UPPER
5220631
Unavailable
4
SPRING,COIL(SHOCK)
7041159
Unavailable
5
CAM,ADJUSTING SPRING Substituted by 5630334
5610092
Unavailable
8
ARM, SWING, WELD Substituted by 1580003-067
1580003
Unavailable
8
ARM, SWING, WELD Substituted by 1580003-067
1580003
Unavailable
9
HITCH WELD. Substituted by 1040108-067
1040108
Unavailable
11
BOLT, SPECIAL
7512664
Unavailable
12
BUSHING, MACH.(10)
7555752
Unavailable
12
BUSHING, MACH.(10)
7555752
Unavailable
13
BEARING
3576507
Unavailable
14
BUSHING,SWING ARM,LH
5010207
Unavailable
16
BUSHING,SWING ARM MT.
5630267
Unavailable
17
NUT, LOCK(10)
7542717
Unavailable
18
BEARING
3576508
Unavailable
19
PLATE,BOLT LOCK
5220611
Unavailable
20
BOLT, SPECIAL
7512665
Unavailable
21
BUSHING,SWING ARM,RH
5010208
Unavailable
27
HOUSING,AXLE, WELD Substituted by 1011657-067
1011556
Unavailable
27
HOUSING,AXLE, WELD Substituted by 1011657-067
1011556
Unavailable
28
BOLT(10) Substituted by 7512670
7512661
Unavailable
30
WASHER
7555753
Unavailable
31
BOLT Substituted by 7512669
7512662
Unavailable
32
Desc not available [No Longer Available] 47
2870657
Unavailable
32
BOLT, ADJUSTER
7080293
Unavailable
33
PLATE,HITCH KIT [No Longer Available]
5220650
Unavailable
36
SPACER,HITCH KIT
5332840
Unavailable
38
DECAL, HITCH [No Longer Available]
7072243
Unavailable
41
SLEEVE
5430857
Unavailable
