- Partiron
- OEM Parts
- Polaris
- ATV
- 1997
- SCRAMBLER 500 - W97BC50A
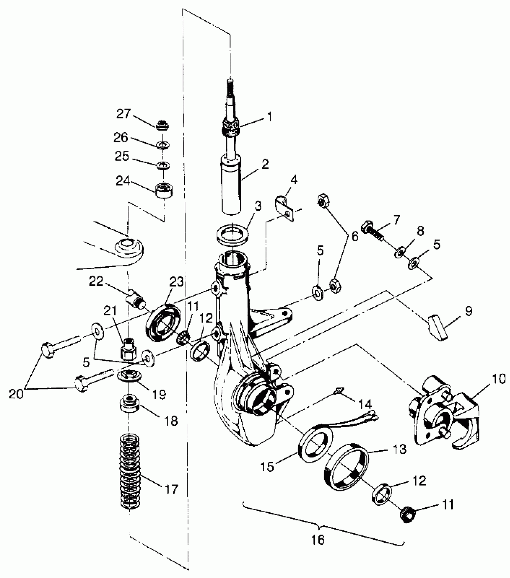
FRONT STRUT Scrambler 500 W97BC50A (4943074307B005)
Polaris SCRAMBLER 500 - W97BC50A FRONT STRUT Scrambler 500 W97BC50A (4943074307B005) Diagram
#
Description
Price
1
BUMPER, STRUT Substituted by 5411468
5410791
Unavailable
2
STRUT,FR,LT,32 MM Substituted by 7041756
7041604
Unavailable
9
RETAINER,WIRE,STRUT CAST
5810439
Unavailable
10
Asm., Front Brake Caliper, RH (See Pg. NO TAG for Details)
-------
Unavailable
16
HUBSTRUT ASM,LH,HVY. Substituted by 2200975 (Incl. 9, 13-16)
2200609
Unavailable
16
HUBSTRUT ASM,RH,HVY. Substituted by 2200976 (Incl. 9, 13-16)
2200610
Unavailable
17
SPRING,COIL(STRUT),LT.
7041603-067
Unavailable
18
RETAINER,SPRING,TOP
5220602
Unavailable
19
PIVOT BALL,BOTTOM Substituted by 5432871
5430807
Unavailable
22
Asm., Drive Shaft w/Sleeve, (See Pg. NO TAG, Ref. NO TAG)
-------
Unavailable
24
PIVOT BALL, TOP Substituted by 5432872
5430806
Unavailable
