- Partiron
- OEM Parts
- Polaris
- ATV
- 1997
- SCRAMBLER 500 - W97BC50A
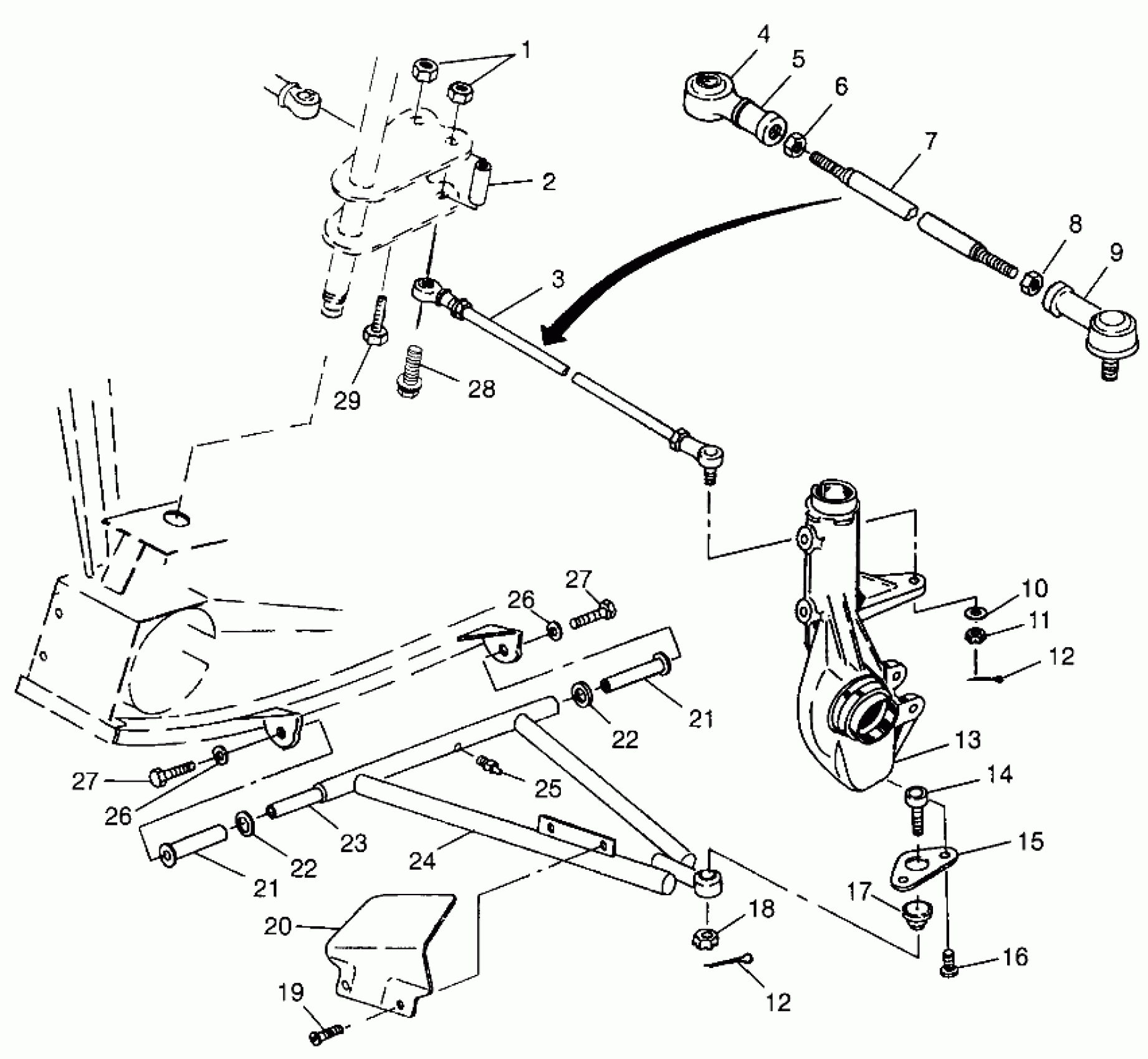
A-ARM/STRUT MOUNTING Scrambler 500 W97BC50A (4943074307B011)
Polaris SCRAMBLER 500 - W97BC50A A-ARM/STRUT MOUNTING Scrambler 500 W97BC50A (4943074307B011) Diagram
#
Description
Price
4
SEAL,BOOT,ROD END,1/2 IN
5411291
Unavailable
5
ROD END Substituted by 7061034
7061019
Unavailable
9
ROD END,LH,W/FTG. Substituted by 7061033
7061018
Unavailable
13
Asm., Hubstrut, (See Pg. A21, Ref. 16)
-------
Unavailable
17
Boot, Rubber
5410548
Unavailable
20
SHIELD,LH CV JOINT Substituted by 5431150-070
5431150
Unavailable
21
BUSHING,A-ARM,LONG. Substituted by 5433066
5431596
Unavailable
21
BUSHING,A-ARM,LONG. Substituted by 5433066
5431596
Unavailable
23
Shaft, A-Arm
5020681
Unavailable
27
BOLT(10) Substituted by 7512492
7515458
Unavailable
27
BOLT(10) Substituted by 7512492
7515458
Unavailable
28
SCREW(10)
7515554
Unavailable
