- Partiron
- OEM Parts
- Polaris
- ATV
- 2000
- SCRAMBLER 500 - A00BG50AA
COOLING SYSTEM - A00BG50AA (4954855485A009)
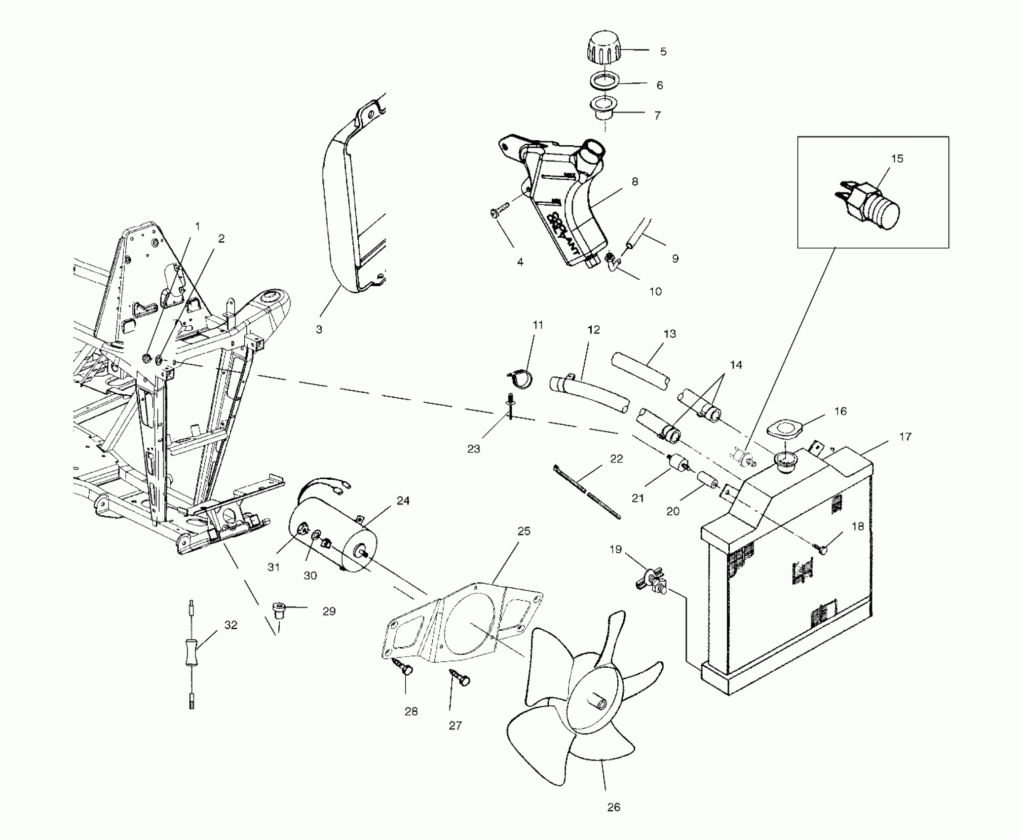
Polaris SCRAMBLER 500 - A00BG50AA COOLING SYSTEM - A00BG50AA (4954855485A009) Diagram
#
Description
Price
3
SHROUD,FAN,(ATV)
5432593
Unavailable
7
PLUG,CAP Substituted by 5433774
5431895
Unavailable
8
TANK,SURGE
5433410
Unavailable
8
DESC NOT_AVAILABLE
2520165
Unavailable
12
HOSE, WATER Substituted by 8450050-305
8450050-63
Unavailable
13
HOSE,CHAFE-PROTECTED
5411108
Unavailable
16
CAP, RADIATOR Substituted by 2511270
2511189
Unavailable
17
RADIATOR,"U"FLOW
1240015
Unavailable
19
VALVE,DRAIN COCK
7052181
Unavailable
20
SPACER,RADIATOR MNT
5020937
Unavailable
24
MOTOR,FAN,LIQ,D-SHAFT,CONN
4170013
Unavailable
25
BRKT.COOL.FAN,BLK
5241355-067
Unavailable
26
BLADE,FAN,NYLON,8"
5242550
Unavailable
27
SCREW
7517475
Unavailable
