- Partiron
- OEM Parts
- Polaris
- ATV
- 2000
- SCRAMBLER 500 - A00BG50AA
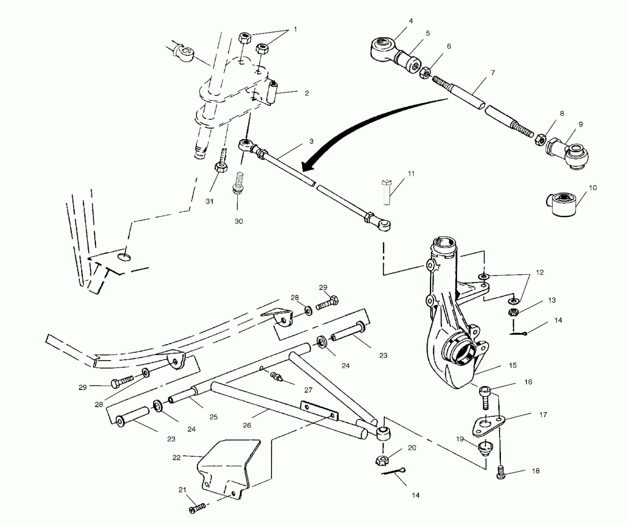
A-ARM/STRUT MOUNTING - A00BG50AA (4954855485B009)
Polaris SCRAMBLER 500 - A00BG50AA A-ARM/STRUT MOUNTING - A00BG50AA (4954855485B009) Diagram
#
Description
Price
3
TIE,ROD,1/2-20X13.4,ASM. (Incl. 4-9)
1820805
Unavailable
4
SEAL,BOOT,ROD END,1/2 IN
5411291
Unavailable
9
ROD,END,10MM,1/2-20LH,42 DEG
7061054
Unavailable
10
BOOT,SEAL,ROD END,10MM
5411920
Unavailable
11
BOLT-M10X1.25X57 HX WASH HD Substituted by 7517909
7517674
Unavailable
15
Asm., Hubstrut (See Front Strut Pg. B6, Ref. 16)
-------
Unavailable
19
Boot, Rubber
5410548
Unavailable
22
SHIELD,LH CV JOINT Substituted by 5431150-070
5431150
Unavailable
23
BUSHING,A-ARM,LONG. Substituted by 5433066
5431596
Unavailable
23
BUSHING,A-ARM,LONG. Substituted by 5433066
5431596
Unavailable
25
Shaft, A-Arm
5020681
Unavailable
26
KIT,LH,A FRAME Substituted by 2201603
2201157
Unavailable
26
KIT,RH,A FRAME Substituted by 2201604
2201158
Unavailable
