- Partiron
- OEM Parts
- Polaris
- ATV
- 2011
- SCRAMBLER 500 4X4 - A11NG50AA
ENGINE, CYLINDER and HEAD - A11NG50AA (49ATVCYLINDERHD11SCRAM)
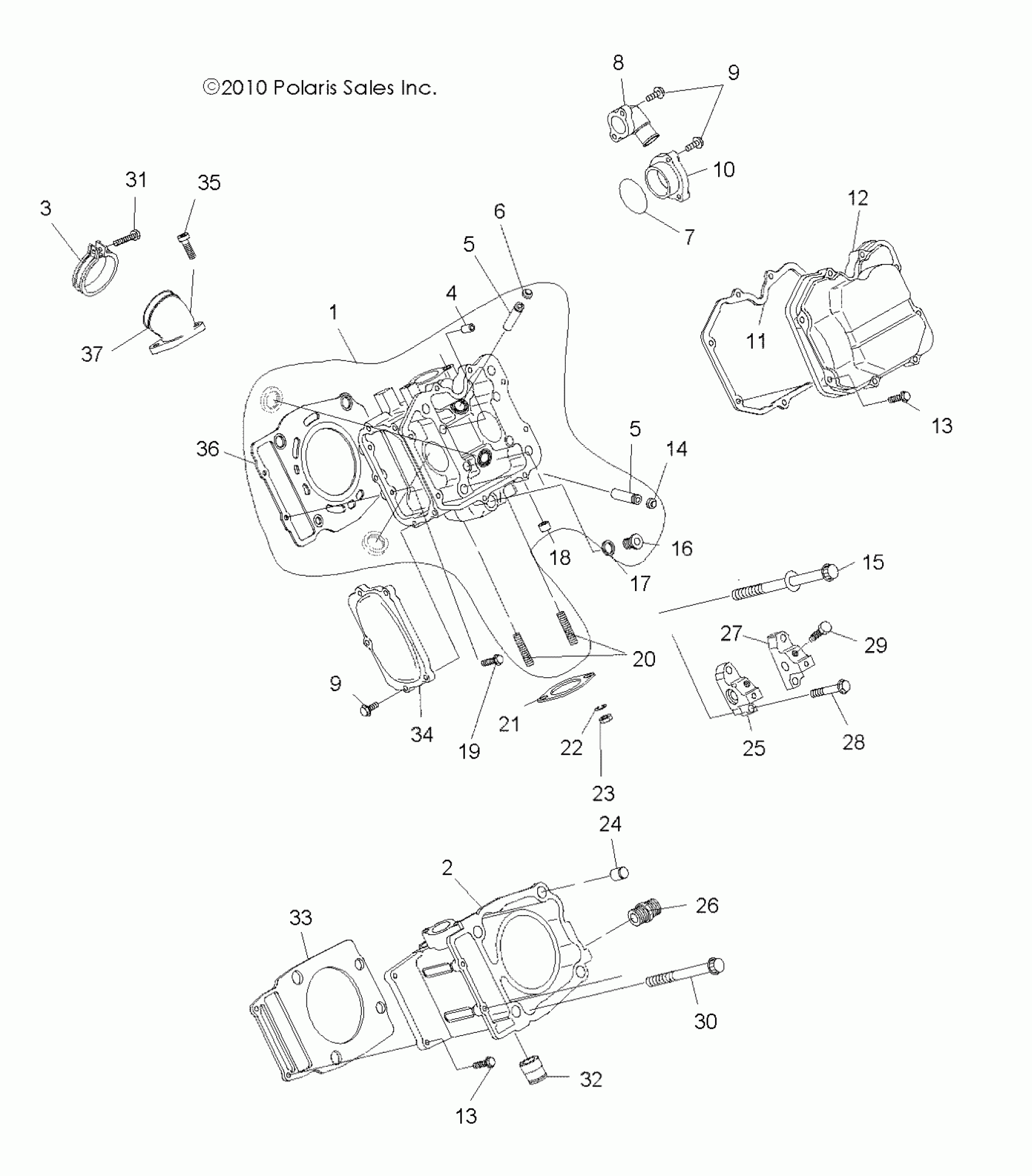
Polaris SCRAMBLER 500 4X4 - A11NG50AA ENGINE, CYLINDER and HEAD - A11NG50AA (49ATVCYLINDERHD11SCRAM) Diagram
#
Description
Price
4
Pin, Straight
3084857
Unavailable
9
BOLT, FLANGE
3084877
Unavailable
9
BOLT, FLANGE
3084877
Unavailable
10
ADAPTER, CAMSHAFT
3084866
Unavailable
13
BOLT, FLANGE
3084874
Unavailable
13
BOLT, FLANGE
3084874
Unavailable
15
BOLT
3084875
Unavailable
18
PLUG, BLIND
3084862
Unavailable
20
Stud [Built 8/18/10 and Before]
3085326
Unavailable
20
Stud [Built 8/19/10 and After]
3090095
Unavailable
23
Nut [Built 8/18/10 and Before]
3087199
Unavailable
24
PIPE, KNOCK
3087266
Unavailable
26
Union
3084849
Unavailable
27
Support, Valve Rocker Shaft [PTO]
3084864
Unavailable
29
BOLT, ROCKER SHAFT
3085854
Unavailable
30
BOLT, FLANGE
3084873
Unavailable
32
PIPE, WATER
3090290
Unavailable
37
ADAPTER
3085809
Unavailable
