- Partiron
- OEM Parts
- Polaris
- ATV
- 2006
- SCRAMBLER 500 4X4 - A06BG50AA
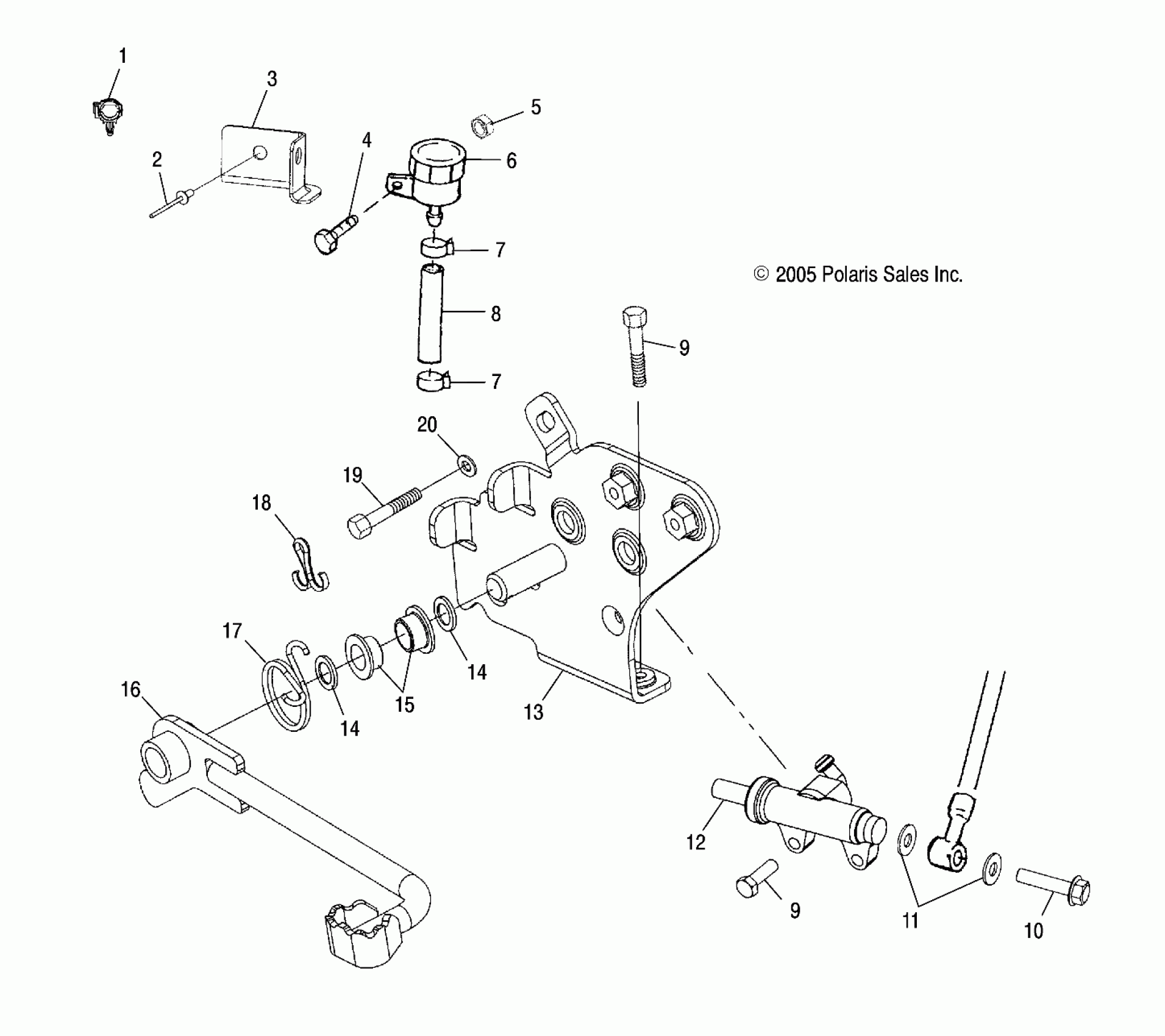
BRAKE, REAR MASTER CYLINDER - A06BG50AA/FA (4999201549920154B12)
Polaris SCRAMBLER 500 4X4 - A06BG50AA BRAKE, REAR MASTER CYLINDER - A06BG50AA/FA (4999201549920154B12) Diagram
#
Description
Price
13
Mount, Brake, Black
1910798-067
Unavailable
