- Partiron
- OEM Parts
- Polaris
- ATV
- 2005
- SCRAMBLER 500 4X4 - A05BG50AA
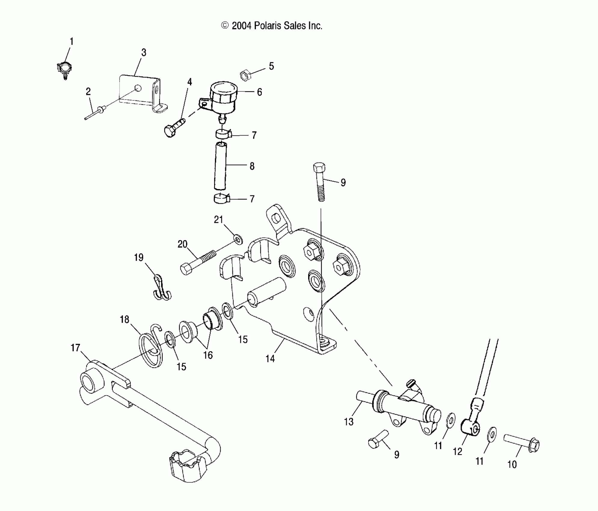
REAR BRAKE MASTER CYLINDER - A05BG50AA/FA (4994789478B12)
Polaris SCRAMBLER 500 4X4 - A05BG50AA REAR BRAKE MASTER CYLINDER - A05BG50AA/FA (4994789478B12) Diagram
#
Description
Price
12
LINE, BRAKE, FT M/C TO RR [SEE REAR CALIPER MOUNTING PG. B13, REF. 8]
-------
Unavailable
14
Mount, Brake, Black
1910798-067
Unavailable
