- Partiron
- OEM Parts
- Polaris
- ATV
- 2001
- SCRAMBLER 500 4X4 - A01BG50AA
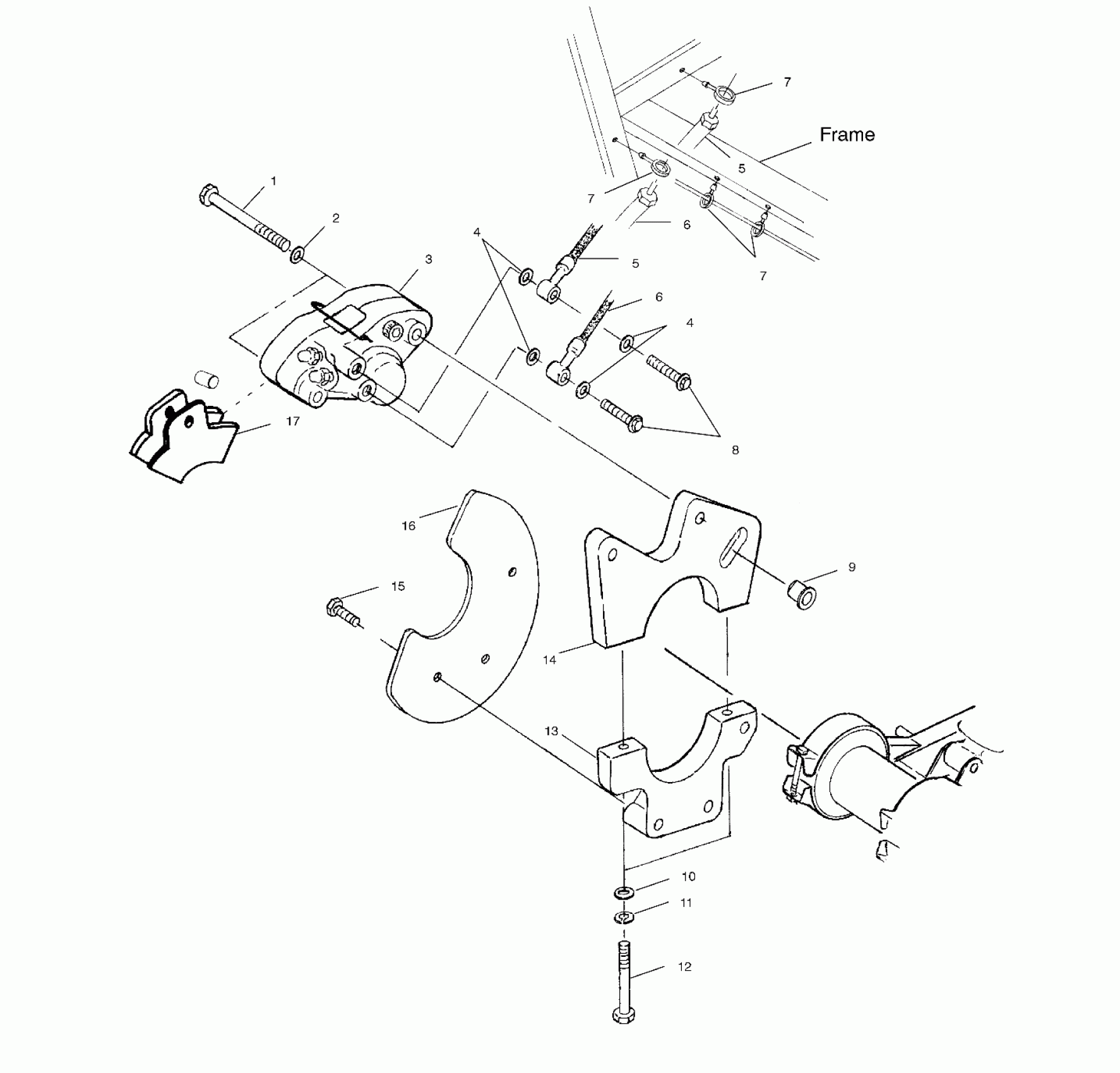
REAR CALIPER MOUNTING - A01BG50AA (4963766376C001)
Polaris SCRAMBLER 500 4X4 - A01BG50AA REAR CALIPER MOUNTING - A01BG50AA (4963766376C001) Diagram
#
Description
Price
5
LINE-BRAKE,JB TO REAR,SS,CDS
1910504
Unavailable
5
LINE-BRAKE,JB TO REAR,SS,CDS
1910504
Unavailable
6
LINE-BRAKE,FR M/C TO RR,CDS
1910506
Unavailable
6
LINE-BRAKE,FR M/C TO RR,CDS
1910506
Unavailable
9
BUSHING,CALIPER MT.
5131759
Unavailable
13
MT,LWR.CALIPER,AXLE
5131786
Unavailable
14
MT,UPR.CALIPER,AXLE
5131787
Unavailable
16
GUARD,BRAKEDISC,R.AXLE,BLK
5242291-067
Unavailable
17
Pin
1930860
Unavailable
17
SPACER,PAD
1910339
Unavailable
