- Partiron
- OEM Parts
- Polaris
- ATV
- 2001
- SCRAMBLER 500 4X4 - A01BG50AA
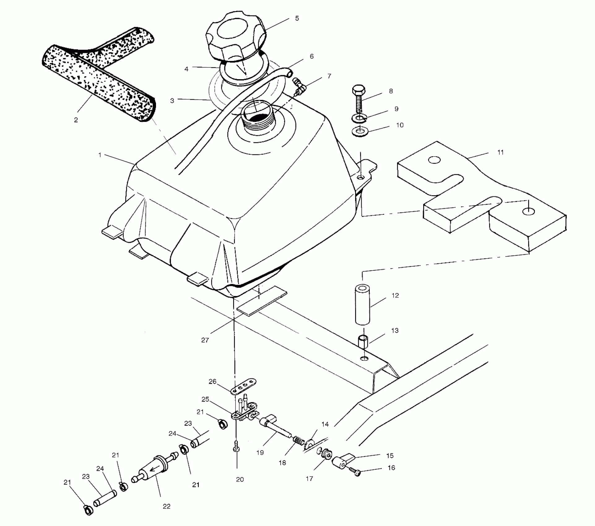
FUEL TANK - A01BG50AA (4963766376A013)
Polaris SCRAMBLER 500 4X4 - A01BG50AA FUEL TANK - A01BG50AA (4963766376A013) Diagram
#
Description
Price
1
FUEL TANK W/ VALVE [Item NotAvailable] (Incl. 7,20,25,26)(If built after 10/30/00)
2520241
Unavailable
1
TANK,FUEL
5432879
Unavailable
1
TANK ASM,FUEL (Incl. 7,20,25,26)(If built before 10/30/00)
2511342
Unavailable
2
SEAL,FOAM
5811527
Unavailable
3
GROMMET,FUELTANK
5410842
Unavailable
6
FUEL LINE,1/8 ID,600 CM.
8360009-600
Unavailable
8
BOLT(10)
7512249
Unavailable
12
Spacer
5332457
Unavailable
16
SCREW(10)
7511840
Unavailable
27
PAD,FUELTANK BRKT. Substituted by 8360026
5810317
Unavailable
