- Partiron
- OEM Parts
- Polaris
- ATV
- 2002
- SCRAMBLER 500 2X4 - A02BA50AA
INTAKE and EXHAUST - A02BA50AA/AB (4969976997D03)
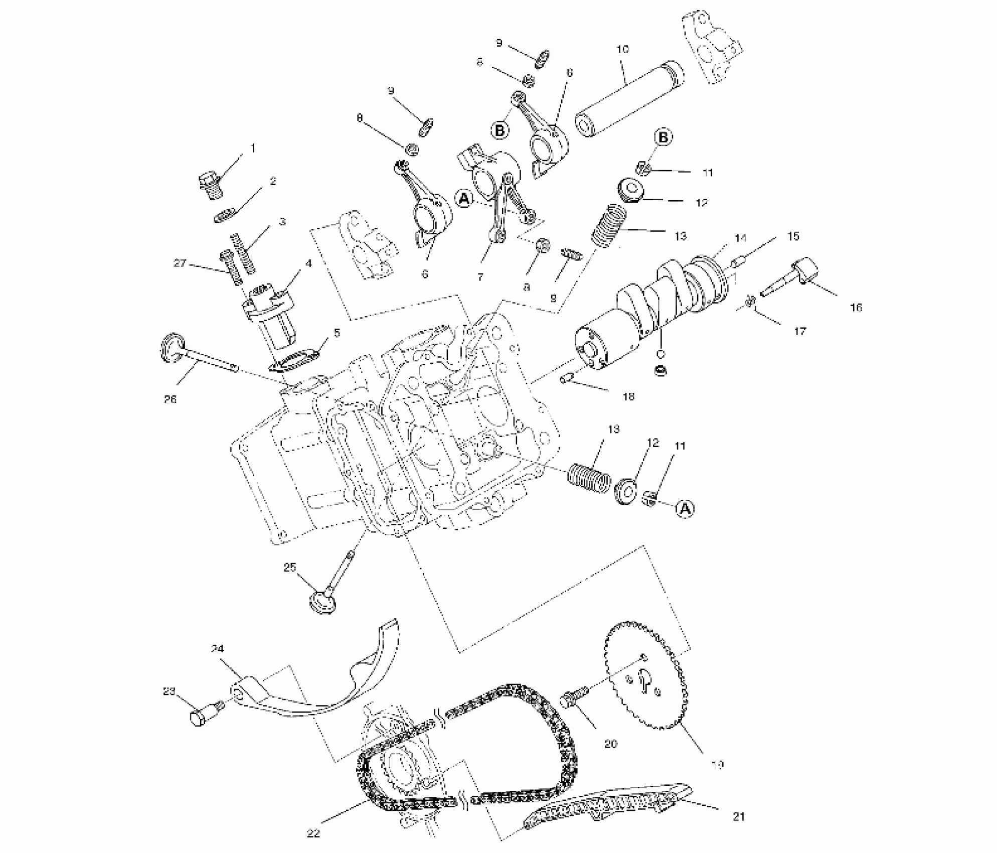
Polaris SCRAMBLER 500 2X4 - A02BA50AA INTAKE and EXHAUST - A02BA50AA/AB (4969976997D03) Diagram
#
Description
Price
1
PLUG
3084845
Unavailable
2
Gasket, Plug
3084920
Unavailable
3
SPRING,TENSIONER
3086839
Unavailable
4
TENSIONER,ASM (Incl. 1-3)
3086813
Unavailable
5
GASKET,TENSIONER
3084922
Unavailable
12
RETAINER,VAVLE SPRING
3086893
Unavailable
12
RETAINER,VAVLE SPRING
3086893
Unavailable
13
SPRING,VALVE Substituted by 3086892
3084906
Unavailable
13
SPRING,VALVE Substituted by 3086892
3084906
Unavailable
16
LEVER, RELEASE
3085348
Unavailable
17
SPRING,RETURN
3085076
Unavailable
21
GUIDE,CHAIN
3084916
Unavailable
23
BOLT,PIVOT,LEVER
3084924
Unavailable
27
BOLT, FLANGE
3084874
Unavailable
