- Partiron
- OEM Parts
- Polaris
- ATV
- 1995
- SCRAMBLER 4X4 - W957840
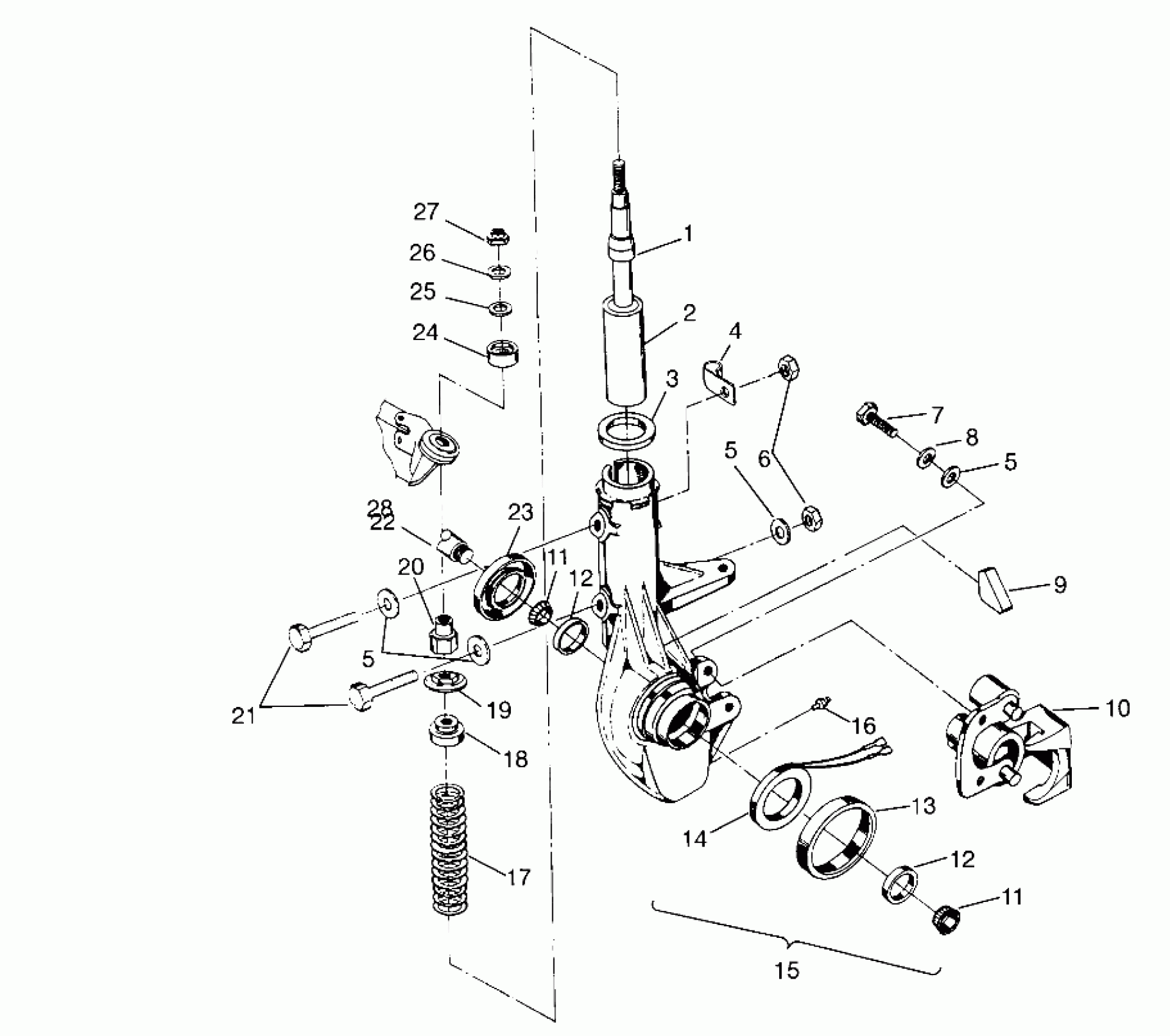
FRONT STRUT ASSEMBLY Scrambler W957840 (4927252725B005)
Polaris SCRAMBLER 4X4 - W957840 FRONT STRUT ASSEMBLY Scrambler W957840 (4927252725B005) Diagram
#
Description
Price
1
BUMPER, STRUT Substituted by 5411468
5410791
Unavailable
2
STRUT,FRONT,32MM. Substituted by 7041755
7041374
Unavailable
4
CLAMP(10) Substituted by 7080573
7080347
Unavailable
9
RETAINER,WIRE,STRUT CAST
5810439
Unavailable
10
Asm., Front Brake Caliper, RH (See Pg. )
-------
Unavailable
15
HUBSTRUT ASM,LH,HVY. Substituted by 2200975 (Incl. 9, 13-15)
2200609
Unavailable
15
HUBSTRUT ASM,RH,HVY. Substituted by 2200976 (Incl. 9, 13-15)
2200610
Unavailable
18
RETAINER,SPRING,TOP
5220602
Unavailable
19
PIVOT BALL,BOTTOM Substituted by 5432871
5430807
Unavailable
22
Asm., Drive Shaft w/Sleeve (See Pg., Ref.)
-------
Unavailable
24
PIVOT BALL, TOP Substituted by 5432872
5430806
Unavailable
